EXPAND MENU COLLAPSE MENU

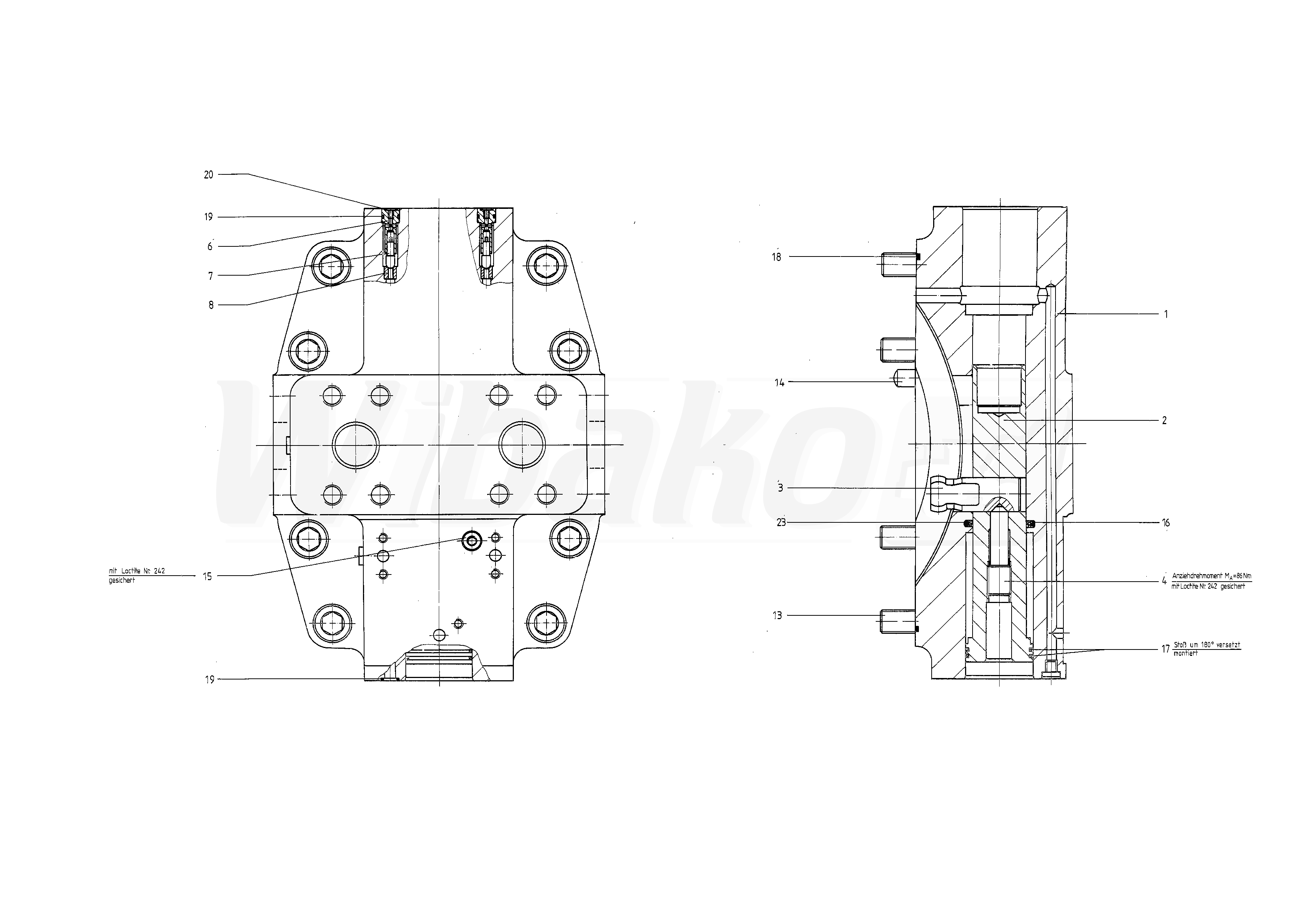
AA6VM250HD2D/61W-PZB157B-SO8 (R910911754)
ADJUSTING PIECE (163816)

ADJUSTING PIECE
(163816)

 
1

COVER PLATE
(163817)

 
2

POSITIONING PISTON
(17543)

 
3

POSITIONING STUD
(17544)

 
4

SETSCREW
(14255)

 
6

VALVE GUIDE
(17545)

 
7

BOLT
(13841)

 
8

BUSHING
(11333)

 
13

SOCKET HEAD CAP SCREW
(14261)

 
14

STRAIGHT PIN
(14260)

 
15

SCREW PLUG
(10330)

 
16

ROD SEAL
(162714)

 
17

RECTANGULAR RING
(17546)

 
18

O-RING
(162715)

 
19

O-RING
(10098)

 
20

O-RING
(162716)

 
23

O-RING
(162717)

 

Return

The above diagrams belong to Rexroth www.boschrexroth.com
DID YOU NOTICE AN ERROR? REPORT »
DID YOU NOTICE AN ERROR? REPORT
×

The error was sent. Thank you.