EXPAND MENU COLLAPSE MENU

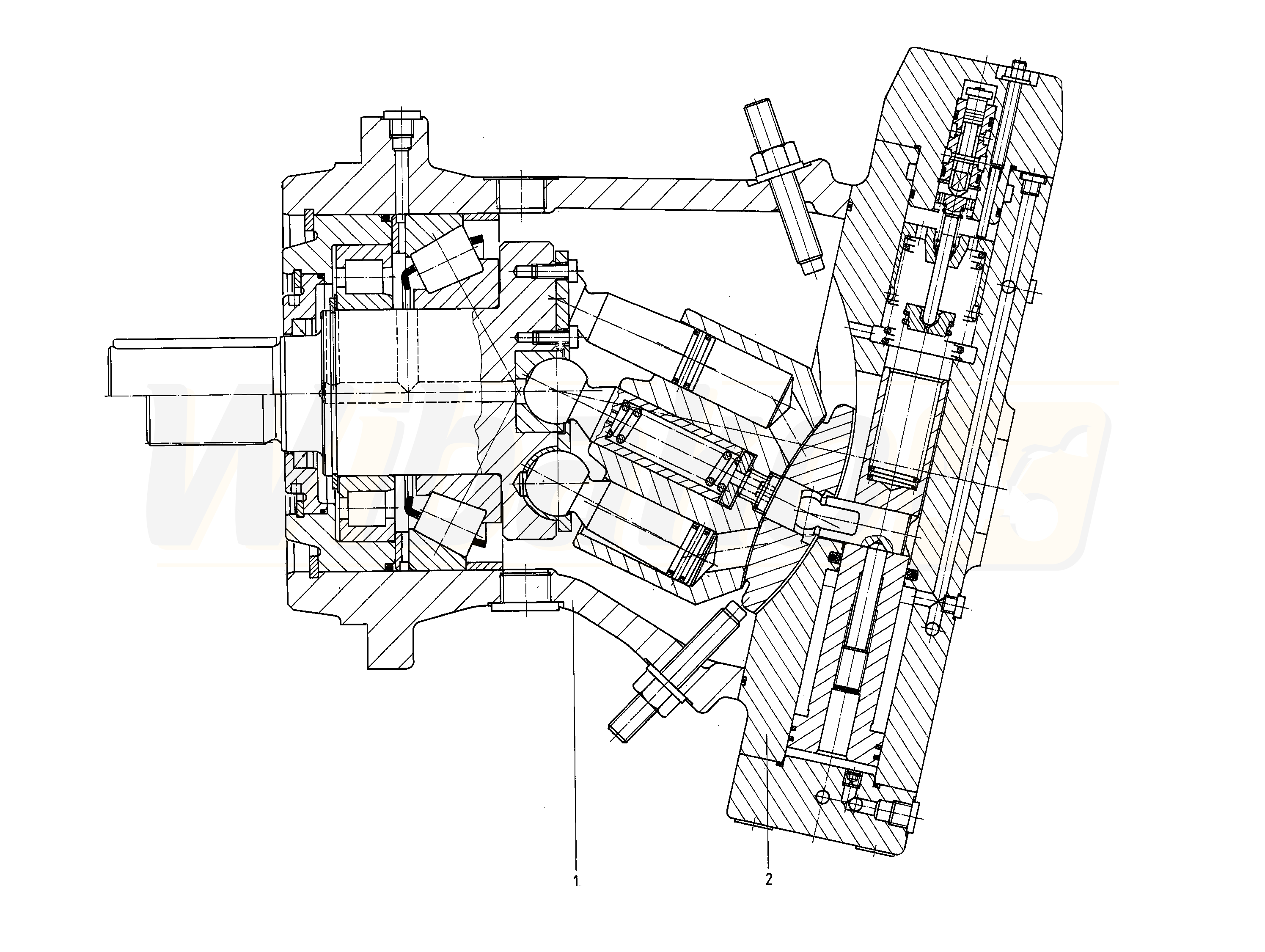
AA6VM355HD2/61W-VZH010B (R910919950)

1

AXIAL-PISTON MOTOR
(164677)

Group »

 
2

CONTROL
(164679)

Group »

 

Return

The above diagrams belong to Rexroth www.boschrexroth.com
DID YOU NOTICE AN ERROR? REPORT »
DID YOU NOTICE AN ERROR? REPORT
×

The error was sent. Thank you.