EXPAND MENU COLLAPSE MENU

A6VM100HAXT/63W-VAB380A-S (R902102864)
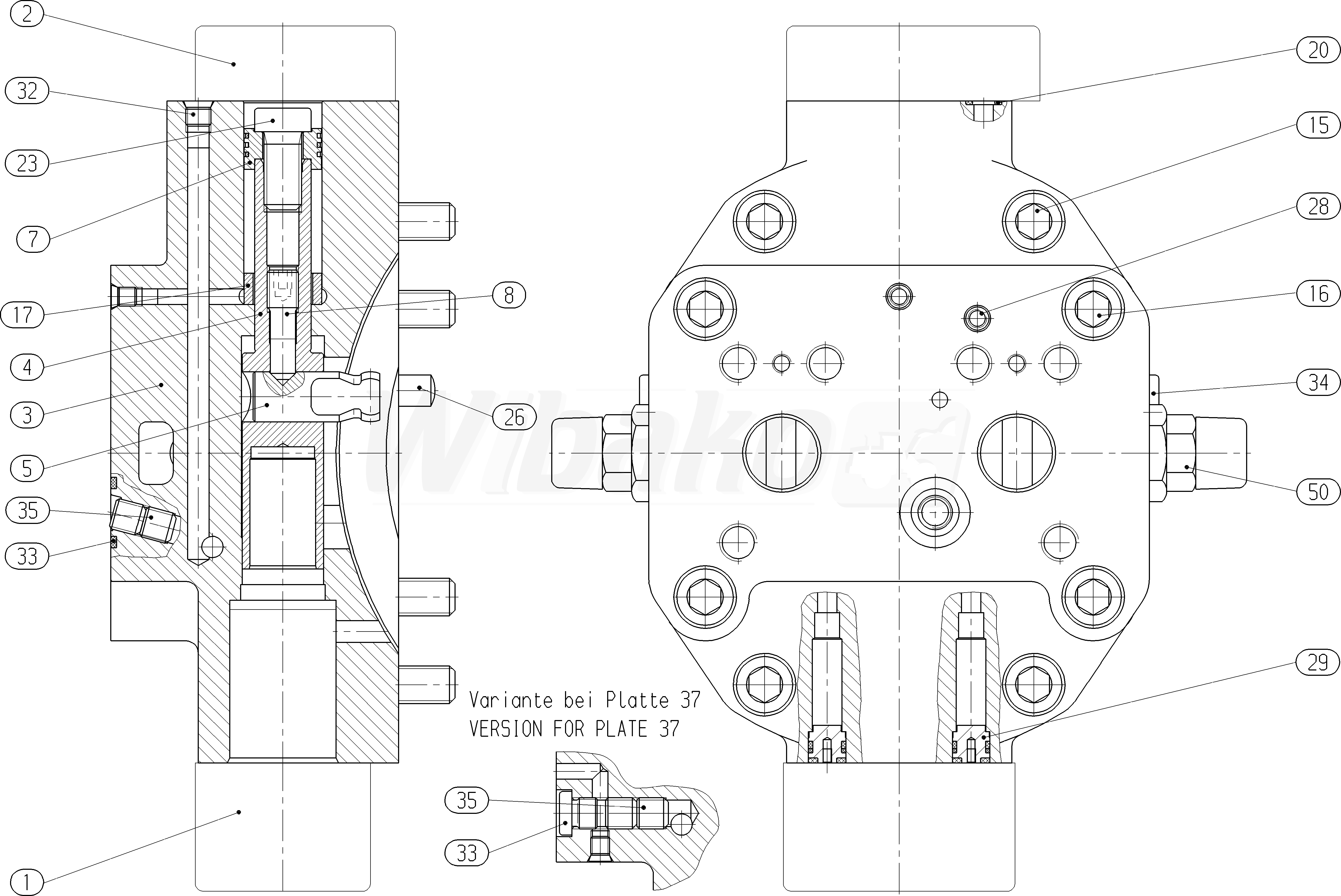
CONTROL (174344)

CONTROL
(174344)

 
1

CONTROL PART
(174345)

Group »

 
2

COVER
(11652)

Group »

 
3

COVER PLATE
(19386)

 
4

POSITIONING PISTON
(11654)

 
5

POSITIONING STUD
(11655)

 
7

PISTON
(11656)

 
8

SETSCREW
(11331)

 
15

SOCKET HEAD CAP SCREW
(10346)

 
16

SOCKET HEAD CAP SCREW
(11657)

 
17

STOP BUSHING
(174346)

 
20

O-RING
(11335)

 
23

SOCKET HEAD CAP SCREW
(11336)

 
26

STRAIGHT PIN
(10223)

 
28

DOUBLE BREAK-OFF PLUG
(18990)

 
29

PLUG
(11658)

 
32

DOUBLE BREAK-OFF PLUG
(19009)

 
33

O-RING
(11718)

 
34

SCREW PLUG
(11292)

 
50

DELIVERY-VALVE ASSEMBLY
(11660)

Group »

 

Return

The above diagrams belong to Rexroth www.boschrexroth.com
DID YOU NOTICE AN ERROR? REPORT »
DID YOU NOTICE AN ERROR? REPORT
×

The error was sent. Thank you.