EXPAND MENU COLLAPSE MENU

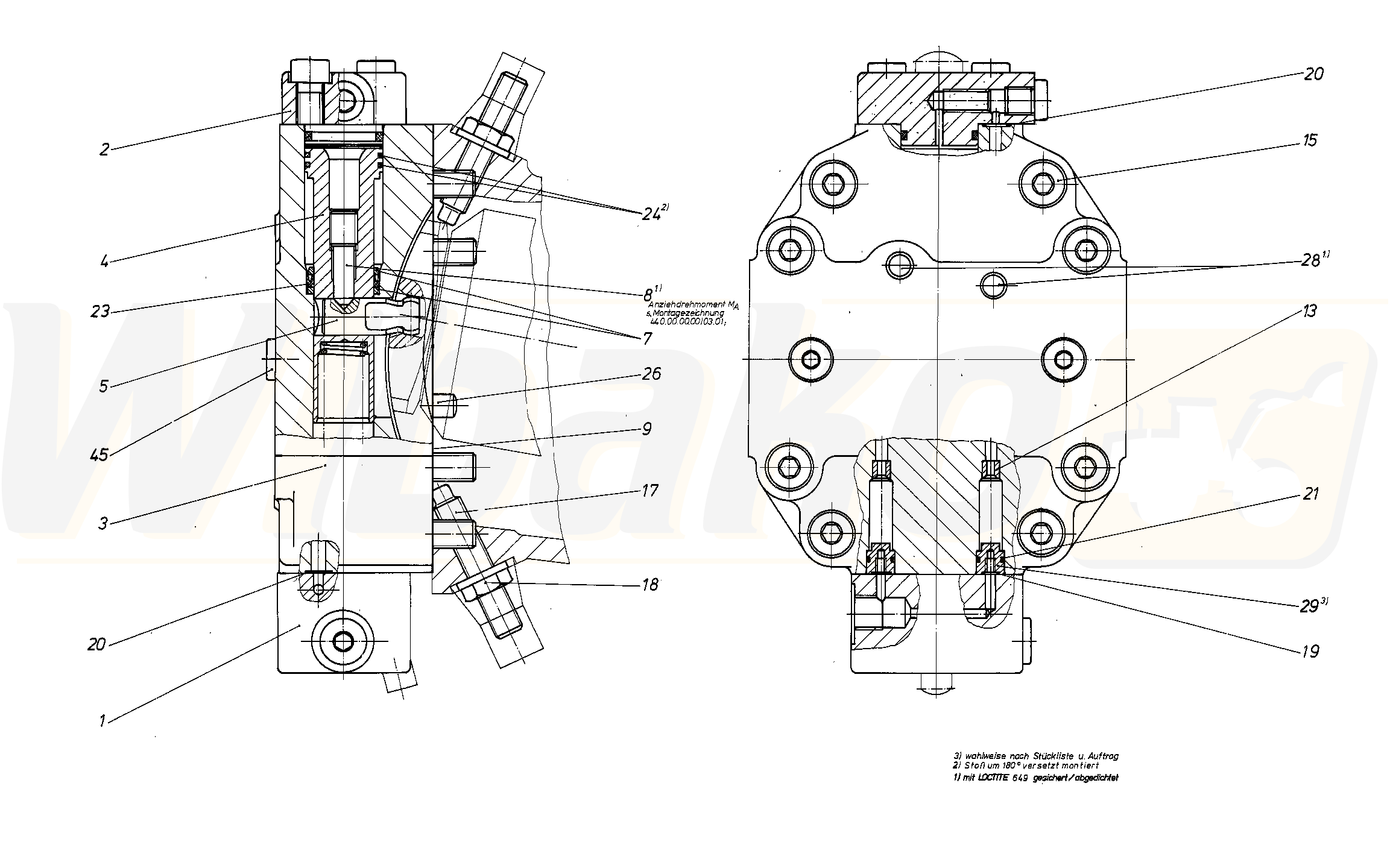
A6VM107HZX/60W-PZB020B-S (R909428298)
CONTROL (177621)

CONTROL
(177621)

 
1

CONTROL PART
(177585)

Group »

 
2

COVER
(167351)

Group »

 
3

COVER PLATE
(175290)

 
4

POSITIONING PISTON
(15132)

 
5

POSITIONING STUD
(11655)

 
7

BACKUP RING
(15133)

 
8

SETSCREW
(11049)

 
9

SEAL
(15134)

 
15

SOCKET HEAD CAP SCREW
(10346)

 
17

SETSCREW
(11296)

Group »

 
18

SEALING NUT
(11057)

 
19

O-RING
(13842)

 
20

O-RING
(11087)

 
21

O-RING
(10227)

 
22

BACKUP RING
(13843)

 
23

ROD SEAL
(15135)

 
24

R-RING
(10333)

 
26

STRAIGHT PIN
(10223)

 
28

DOUBLE BREAK-OFF PLUG
(19009)

 
29

PLUG
(15136)

 
45

SCREW PLUG
(10190)

 

Return

The above diagrams belong to Rexroth www.boschrexroth.com
DID YOU NOTICE AN ERROR? REPORT »
DID YOU NOTICE AN ERROR? REPORT
×

The error was sent. Thank you.