EXPAND MENU COLLAPSE MENU

AA7V500HD51LZFOF (R910803620)
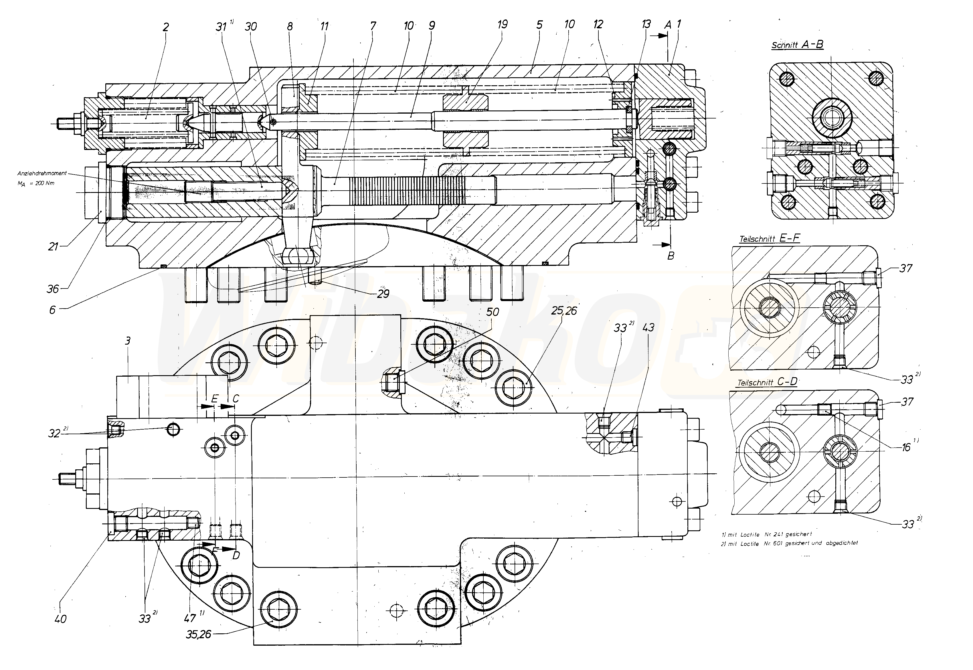
CONTROL (193562)

CONTROL
(193562)

 
1

COVER
(193520)

Group »

 
2

CONTROL PART
(193484)

Group »

 
3

CONNECTING PIECE
(193560)

 
5

COVER PLATE
(193521)

 
6

O-RING
(164176)

 
7

POSITIONING PISTON
(193311)

 
8

POSITIONING STUD
(193312)

 
9

GUIDE ROD
(193486)

 
10

COMPRESSION SPRING
(193487)

 
11

SPRING DISK
(193488)

 
12

SPRING DISK
(193489)

 
13

RING
(193490)

 
16

THROTTLE SCREW
(193215)

 
19

SPRING GUIDE
(193492)

Group »

 
21

SCREW PLUG
(193025)

 
25

SOCKET HEAD CAP SCREW
(55374)

 
26

SPRING LOCK WASHER
(192434)

 
29

STRAIGHT PIN
(165422)

 
30

SLOTTED SPRING PIN
(193351)

 
31

SETSCREW
(165866)

 
32

DOUBLE BREAK-OFF PLUG
(19009)

 
33

DOUBLE BREAK-OFF PLUG
(19010)

 
35

SOCKET HEAD CAP SCREW
(193317)

 
36

O-RING
(193010)

 
37

SCREW PLUG
(10190)

 
40

SCREW PLUG
(10015)

 
43

SCREW PLUG
(10220)

 
47

SETSCREW
(193493)

 
65

SCREW PLUG
(10395)

 

Return

The above diagrams belong to Rexroth www.boschrexroth.com
DID YOU NOTICE AN ERROR? REPORT »
DID YOU NOTICE AN ERROR? REPORT
×

The error was sent. Thank you.