EXPAND MENU COLLAPSE MENU

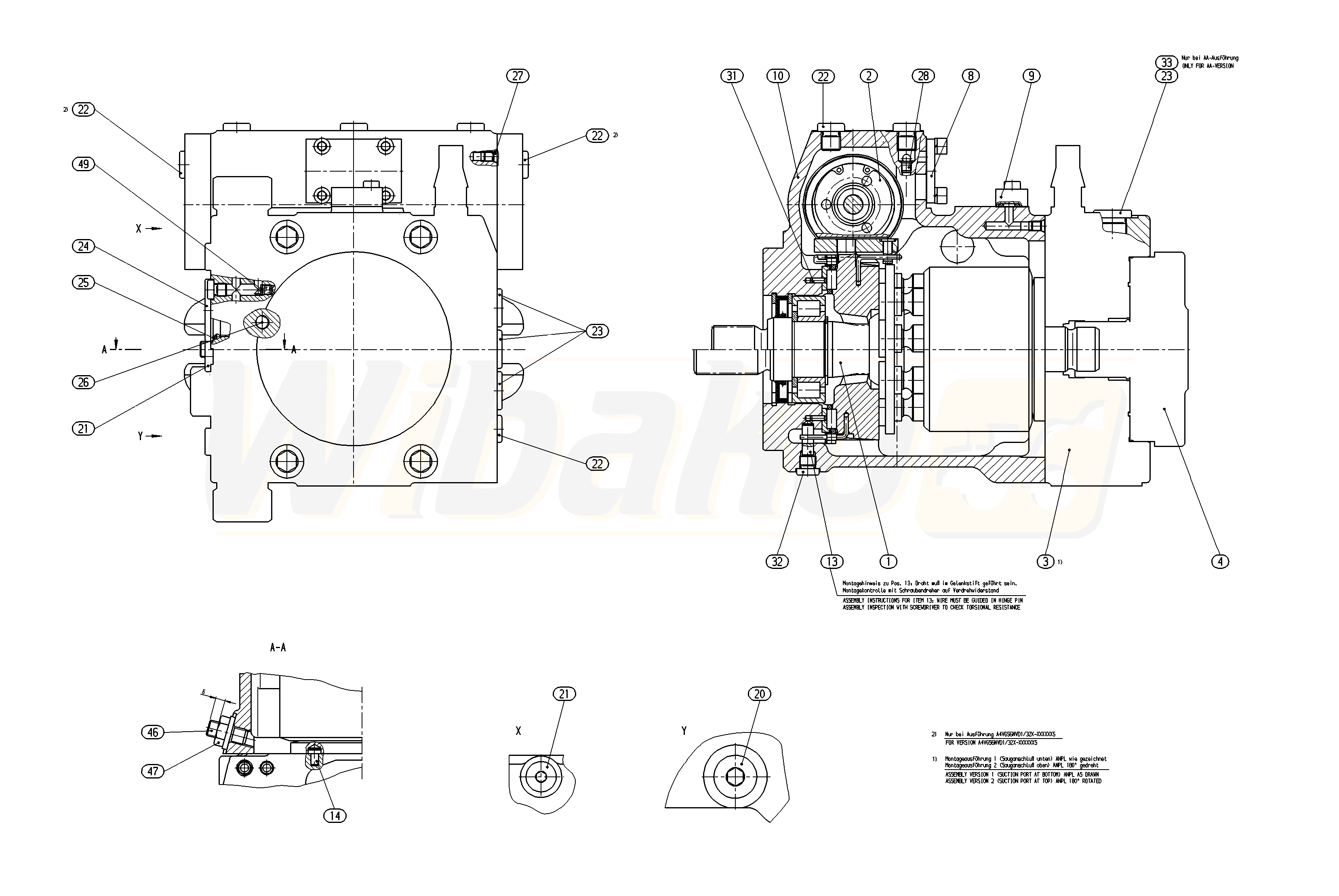
AA4VG56NVD1/32R-NSC52F003S (R902021155)

Axial piston variable pump A4VG. Geometric displacement 56 cm3. Without control module. Pressure cut-off. Without DA control valve. Series 3, index 2. Direction of rotation (viewed on drive shaft): clockwise. Sealing material: NBR (nitrile rubber), shaft seal in FKM (fluoroelastomer). Splined shaft ANSI B92.1a for single pump. Mounting flange SAE J744 2-hole. Integrated boost pump. Without through drive. High-pressure relief valve, direct operated, fixed setting 250 to 420 bar without bypass. Filtration in the boost pump suction line.
1

ROTARY GROUP
(19658)

Group »

 
2

CONTROL
(15452)

Group »

 
3

CONNECTION PLATE
(21480)

Group »

 
4

INTERNAL GEAR PUMP
(10810)

Group »

 
8

SEALING PLATE
(21381)

Group »

 
9

SEALING COVER
(21382)

Group »

 
10

HOUSING
(15075)

 
13

PIVOT PIN
(10813)

 
14

POITIONING PIN
(10183)

 
20

SCREW PLUG
(14354)

 
21

SCREW PLUG
(11370)

 
22

SCREW PLUG
(11371)

 
23

SCREW PLUG
(10090)

 
24

SCREW PLUG
(12195)

 
25

O-RING
(10534)

 
26

SCREW PLUG
(11753)

 
27

DOUBLE BREAK-OFF PLUG
(18990)

 
28

NOZZLE
(10073)

 
31

SLOTTED SPRING PIN
(10396)

 
32

SCREW PLUG
(10220)

 
33

SCREW PLUG
(11372)

 
46

SETSCREW
(12272)

 
47

SEALING NUT
(10815)

 
49

NOZZLE
(10618)

 

Return

The above diagrams belong to Rexroth www.boschrexroth.com
DID YOU NOTICE AN ERROR? REPORT »
DID YOU NOTICE AN ERROR? REPORT
×

The error was sent. Thank you.