EXPAND MENU COLLAPSE MENU

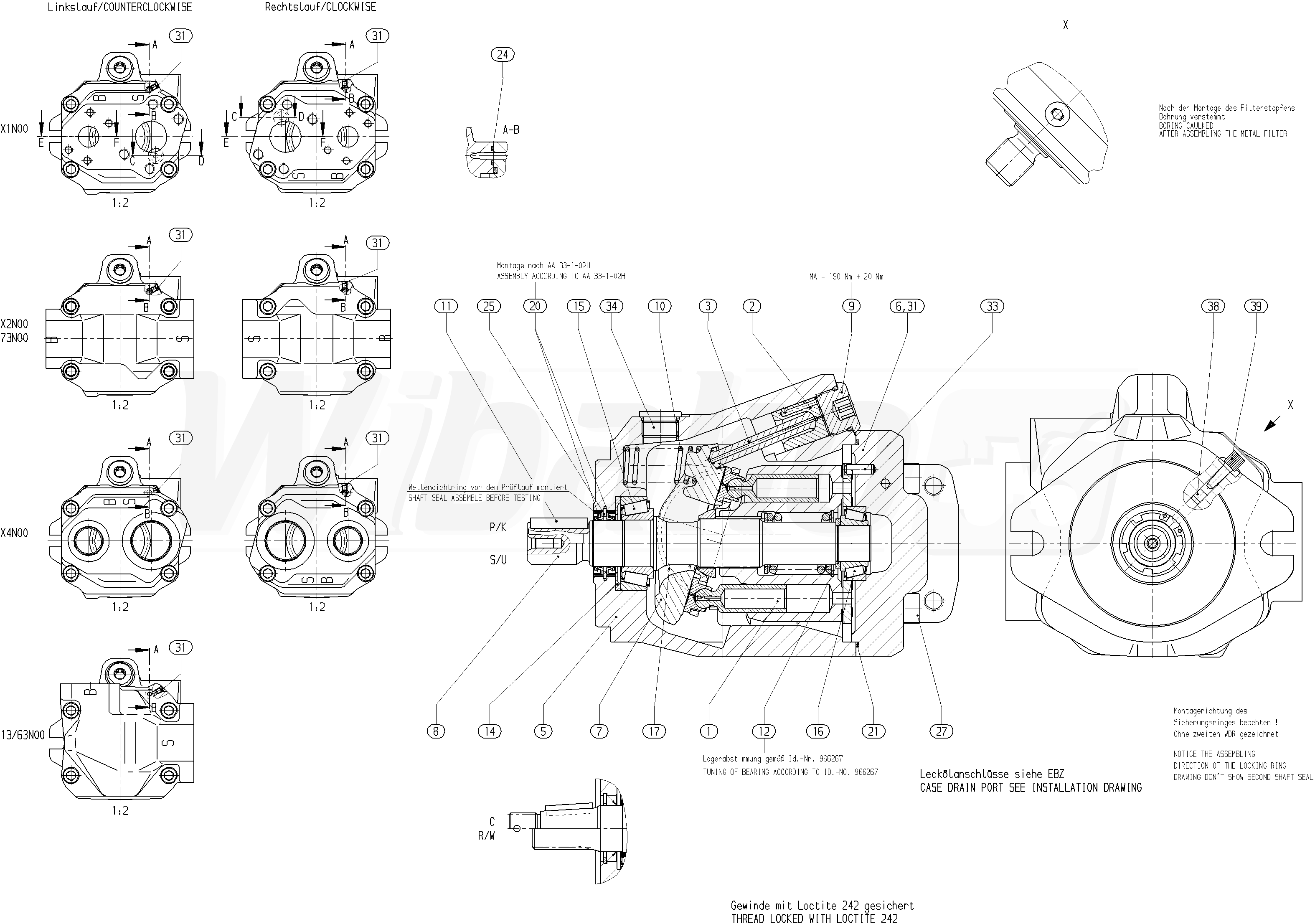
A A10V O 45 DFR1/52L-VUC12N00 -S1950 (R902501217)
BASE UNIT (151435)

BASE UNIT
(151435)

 
1

ROTARY GROUP
(15976)

Group »

 
2

ADJUSTING PISTON
(17367)

 
3

PISTON ROD
(13290)

 
5

PUMP HOUSING
(112254)

 
6

CONNECTION PLATE
(17234)

 
7

SWASH PLATE
(15979)

 
8

DRIVE SHAFT
(112256)

 
9

SCREW PLUG
(11881)

Group »

 
10

COMPRESSION SPRING
(15981)

 
12

ADJUSTMENT SHIM
(13222)

 
14

STOP RING
(16461)

 
15

TAPERED-ROLLER BEARING
(13223)

 
16

TAPERED-ROLLER BEARING
(13224)

 
17

BEARING SHELL
(15833)

 
20

SHAFT SEALING RING
(13226)

 
21

O-RING
(26278)

 
24

R-RING
(11889)

 
25

RETAINING RING
(13229)

 
27

SOCKET HEAD CAP SCREW
(15994)

 
31

DOUBLE BREAK-OFF PLUG
(18990)

 
33

STRAIGHT PIN
(11892)

 
34

SCREW PLUG
(13231)

 
38

PLUG
(17386)

 
39

GUARD PLUG
(17387)

 

Return

The above diagrams belong to Rexroth www.boschrexroth.com
DID YOU NOTICE AN ERROR? REPORT »
DID YOU NOTICE AN ERROR? REPORT
×

The error was sent. Thank you.