EXPAND MENU COLLAPSE MENU

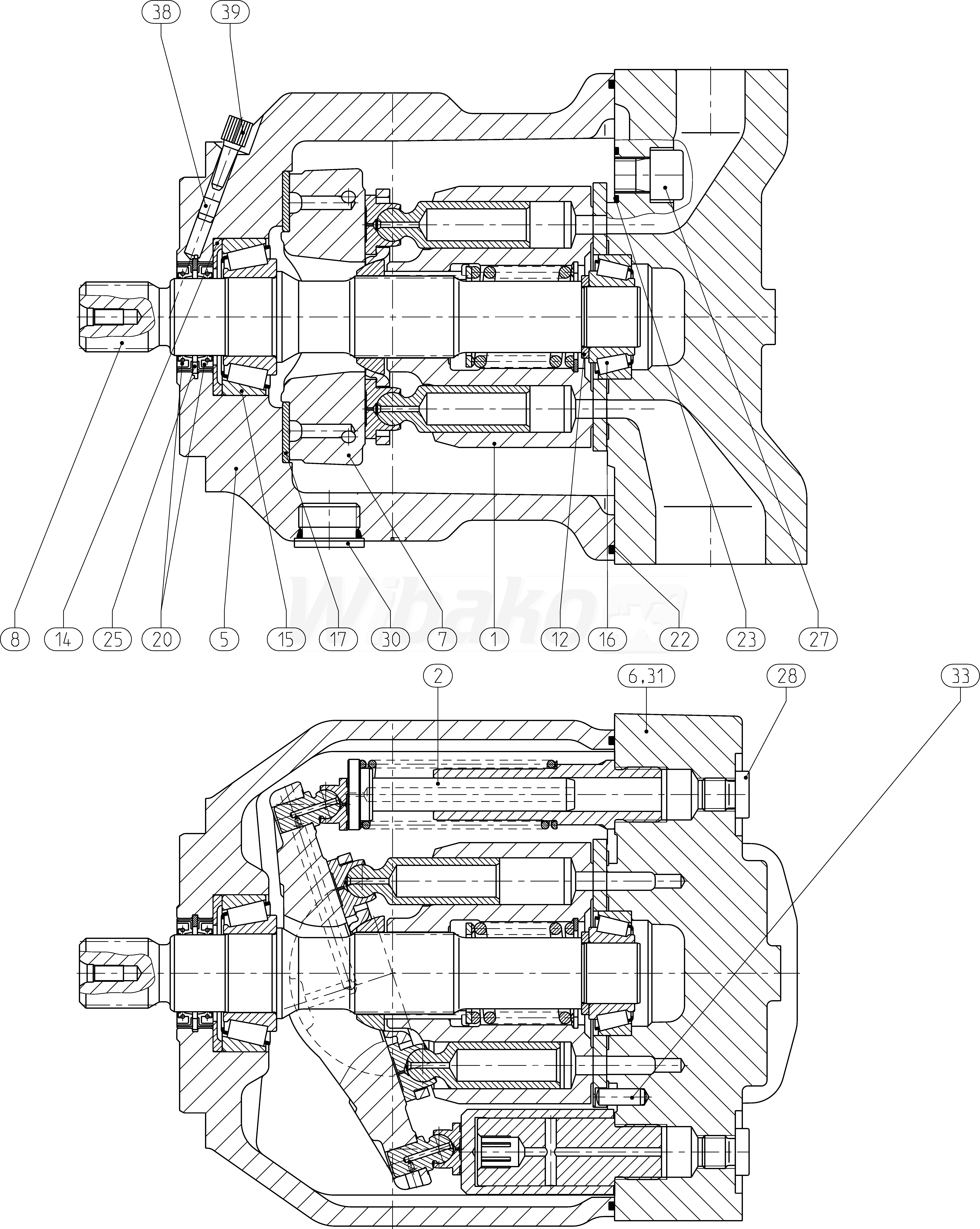
A A10V O 45 DR /31R-VSC12N00 -S1950 (R902556039)
BASE UNIT (159439)

BASE UNIT
(159439)

 
1

ROTARY GROUP
(13216)

Group »

 
2

ADJUSTING PIECE
(13217)

Group »

 
5

PUMP HOUSING
(112125)

 
6

CONNECTION PLATE
(13219)

 
7

SWASH PLATE
(20086)

Group »

 
8

DRIVE SHAFT
(112565)

 
12

ADJUSTMENT SHIM
(13222)

 
14

STOP RING
(16461)

 
15

TAPERED-ROLLER BEARING
(13223)

 
16

TAPERED-ROLLER BEARING
(13224)

 
17

BEARING SHELL
(13225)

 
20

SHAFT SEALING RING
(13226)

 
22

O-RING
(13227)

 
23

R-RING
(26868)

 
25

RETAINING RING
(13229)

 
27

SOCKET HEAD CAP SCREW
(13230)

 
28

SCREW PLUG
(11681)

 
30

SCREW PLUG
(13231)

 
31

DOUBLE BREAK-OFF PLUG
(18990)

 
33

STRAIGHT PIN
(11892)

 
38

PLUG
(17386)

 
38

GUARD PLUG
(17387)

 

Return

The above diagrams belong to Rexroth www.boschrexroth.com
DID YOU NOTICE AN ERROR? REPORT »
DID YOU NOTICE AN ERROR? REPORT
×

The error was sent. Thank you.