EXPAND MENU COLLAPSE MENU

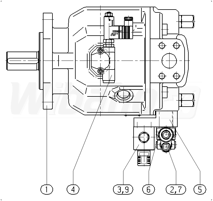
A A10VSO100 DR /31R-PPA12N00 -S1925 (R902439347)

Axial piston variable pump A10VS, swashplate design, open circuit, nominal pressure 280 bar, maximum pressure 350 bar. Series 31. Geometric displacement 100 cm3. Pressure controller, hydraulic. DEUTSCH - molded connector, 2-pin, without suppressor diode.
1

BASE UNIT
(131350)

Group »

 
2

CONTROL VALVE
(16465)

Group »

 
3

DIRECTIONAL SPOOL VALVE
(107713)

Group »

 
4

INDUCTIVE POS.TRANSDUCER
(83746)

Group »

 
5

CONTROL BLOCK
(107714)

Group »

 
6

SOCKET HEAD CAP SCREW
(105345)

 
7

SEAL
(10001)

 
9

SOCKET HEAD CAP SCREW
(10074)

 

Return

The above diagrams belong to Rexroth www.boschrexroth.com
DID YOU NOTICE AN ERROR? REPORT »
DID YOU NOTICE AN ERROR? REPORT
×

The error was sent. Thank you.