EXPAND MENU COLLAPSE MENU

A6VM107DA5X/63W-VAB01X0QB-S (R902209949)
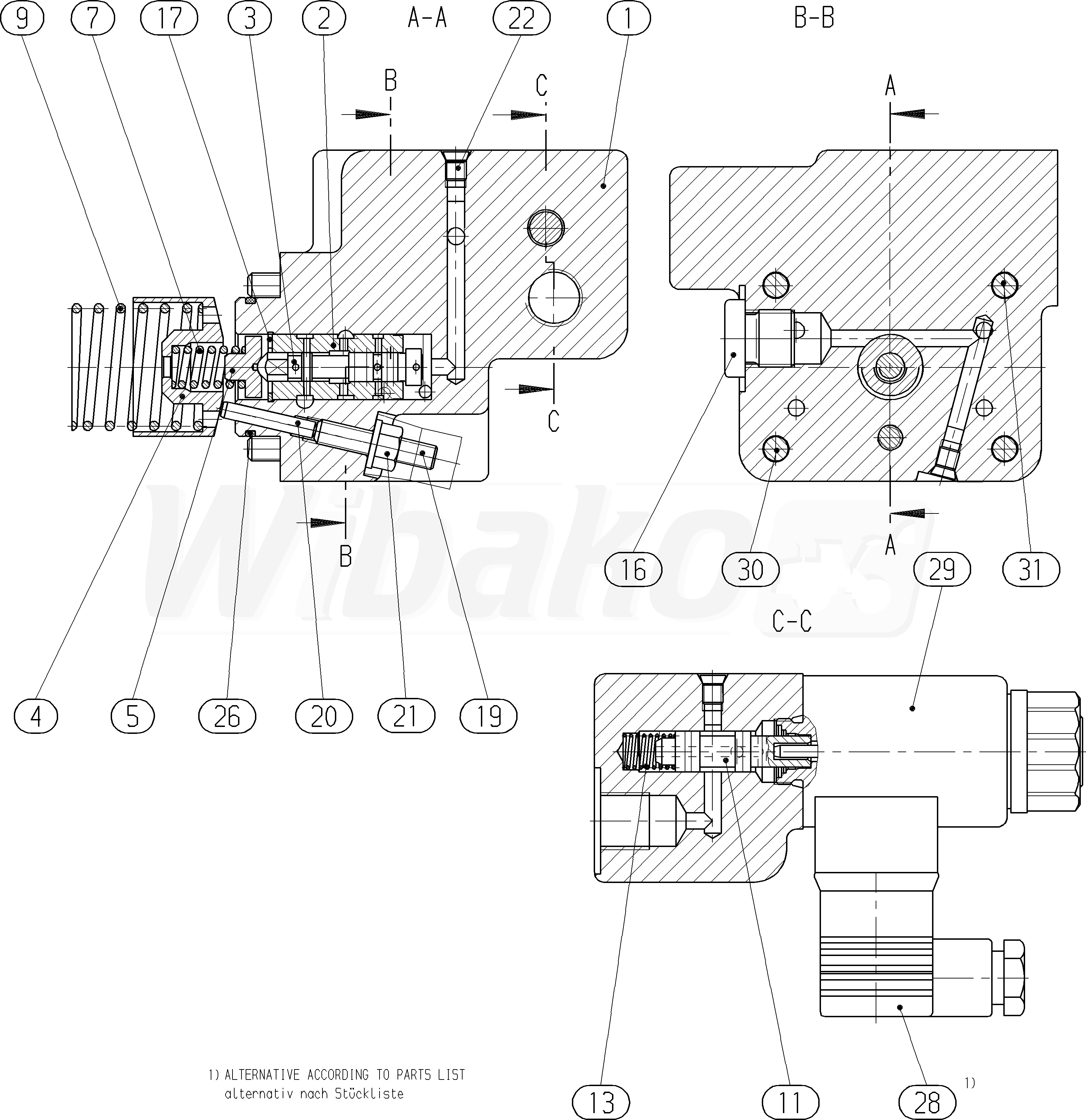
CONTROL PART (102049)

CONTROL PART
(102049)

 
1

CONTROL HOUSING
(102052)

 
2

CONTROL SLEEVE
(102031)

 
3

CONTROL PISTON
(102032)

 
4

ADJUSTING BUSHING
(11664)

 
5

SPRING DISK
(11665)

 
7

COMPRESSION SPRING
(11666)

 
9

COMPRESSION SPRING
(11667)

 
11

CONTROL PISTON
(12478)

 
13

COMPRESSION SPRING
(12479)

 
16

SCREW PLUG
(11348)

 
17

RETAINING RING
(11349)

 
19

SETSCREW
(11351)

 
20

STRAIGHT PIN
(11352)

 
21

SEALING NUT
(10369)

 
22

DOUBLE BREAK-OFF PLUG
(19008)

 
26

O-RING
(11668)

 
29

SWITCHING SOLENOID
(20160)

 
30

SOCKET HEAD CAP SCREW
(12380)

 
31

SOCKET HEAD CAP SCREW
(17331)

 

Return

The above diagrams belong to Rexroth www.boschrexroth.com
DID YOU NOTICE AN ERROR? REPORT »
DID YOU NOTICE AN ERROR? REPORT
×

The error was sent. Thank you.