EXPAND MENU COLLAPSE MENU

A4VG125DA2D2/32L-NZF02F001S-S (R902024198)
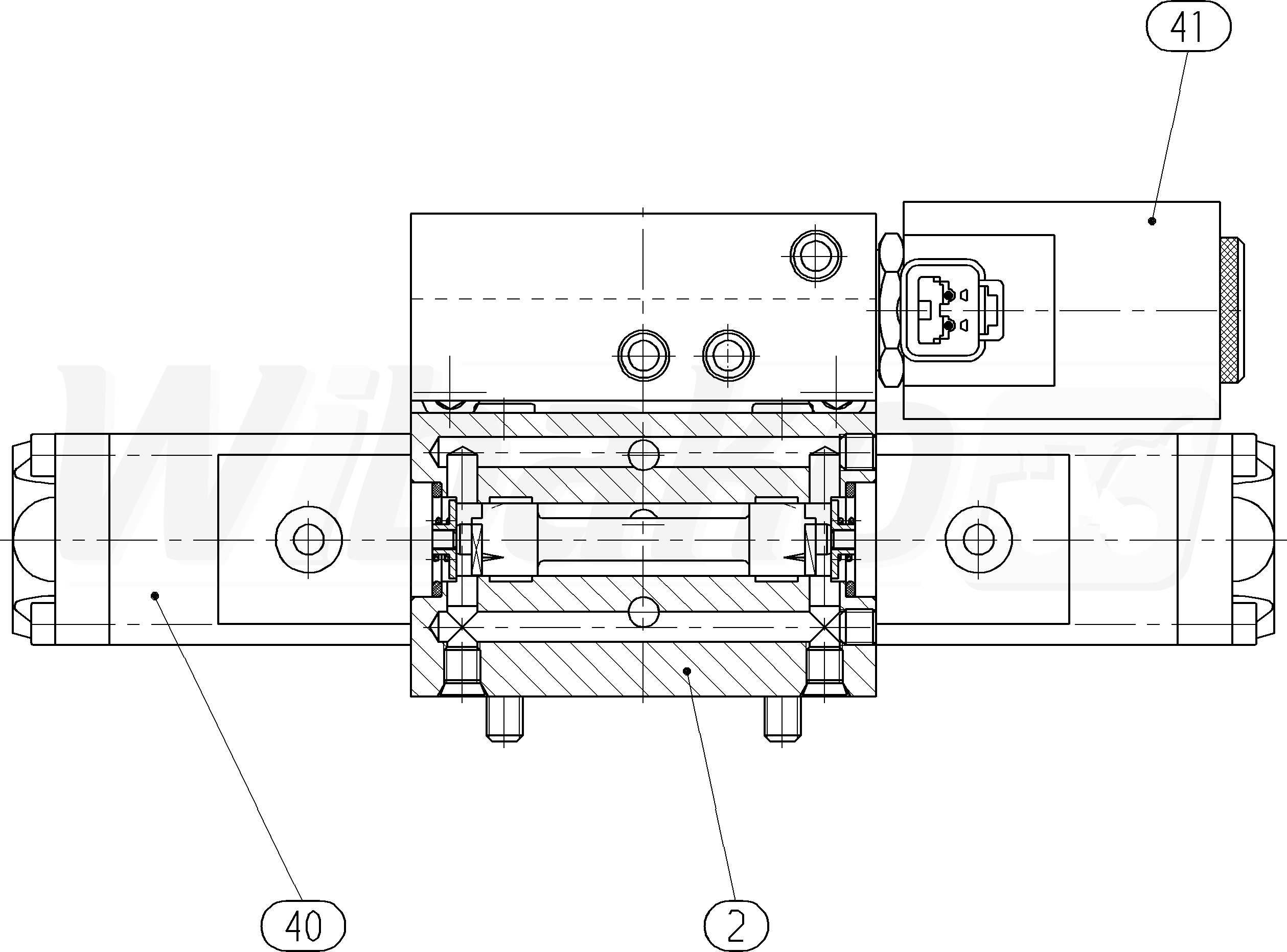
DIRECTIONAL-CONTROL VALVE (12868)

DIRECTIONAL-CONTROL VALVE
(12868)

 
2

VALVE HOUSING
(12883)

Group »

 
40

SWITCHING SOLENOID
(12884)

Group »

 
41

SLIDE GATE VALVE
(12885)

Group »

 

Return

The above diagrams belong to Rexroth www.boschrexroth.com
DID YOU NOTICE AN ERROR? REPORT »
DID YOU NOTICE AN ERROR? REPORT
×

The error was sent. Thank you.