EXPAND MENU COLLAPSE MENU

A4VG125DA2D2/32L-NZF02FXX1S-S (R902010271)
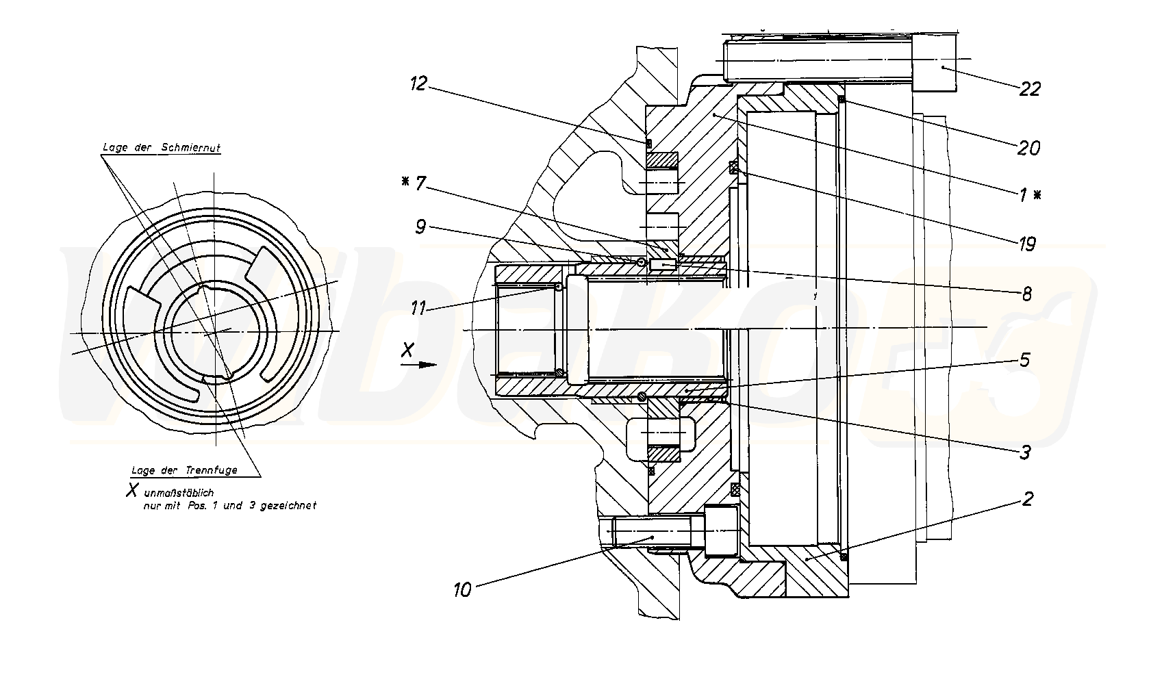
INTERNAL GEAR PUMP (44168)

INTERNAL GEAR PUMP
(44168)

 
1

INTERMEDIATE FLANGE
(44272)

 
2

INTERMEDIATE FLANGE
(44273)

 
3

BUSHING
(19247)

 
5

THROUGH DRIVE SHAFT
(44274)

 
7

WHEEL SET
(11163)

 
8

PARALLEL KEY
(11164)

 
9

SNAP RING
(11165)

 
10

SOCKET HEAD CAP SCREW
(11166)

 
11

SNAP RING
(13402)

 
12

KANTSEAL
(14379)

 
19

O-RING
(10254)

 
20

O-RING
(10184)

 
22

SOCKET HEAD CAP SCREW
(44275)

 

Return

The above diagrams belong to Rexroth www.boschrexroth.com
DID YOU NOTICE AN ERROR? REPORT »
DID YOU NOTICE AN ERROR? REPORT
×

The error was sent. Thank you.