EXPAND MENU COLLAPSE MENU

A4VG125DA2D2/32L-NZF02FXX1S-S (R902024196)
INTERNAL GEAR PUMP (44177)

INTERNAL GEAR PUMP
(44177)

 
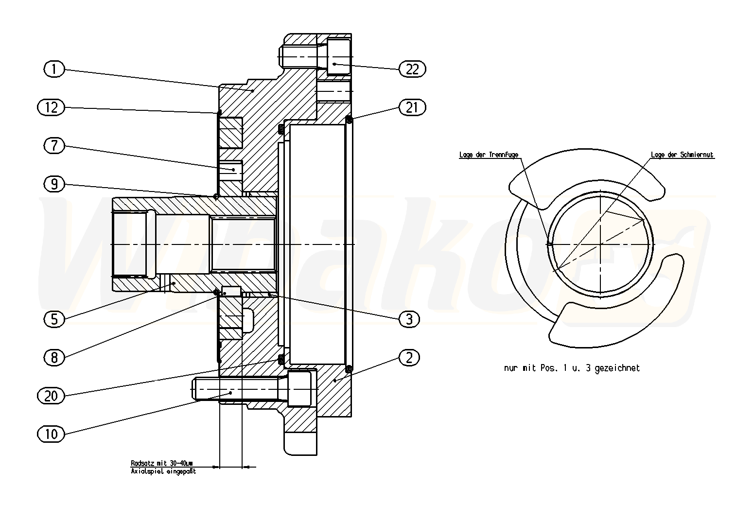
1

INTERMEDIATE FLANGE
(44444)

 
2

INTERMEDIATE FLANGE
(44445)

 
3

BUSHING
(19247)

 
5

THROUGH DRIVE SHAFT
(44446)

 
7

WHEEL SET
(11163)

 
8

PARALLEL KEY
(11164)

 
9

SNAP RING
(11165)

 
10

SOCKET HEAD CAP SCREW
(13781)

 
12

KANTSEAL
(14379)

 
20

O-RING
(10254)

 
21

O-RING
(28120)

 
22

SOCKET HEAD CAP SCREW
(14910)

 

Return

The above diagrams belong to Rexroth www.boschrexroth.com
DID YOU NOTICE AN ERROR? REPORT »
DID YOU NOTICE AN ERROR? REPORT
×

The error was sent. Thank you.