EXPAND MENU COLLAPSE MENU

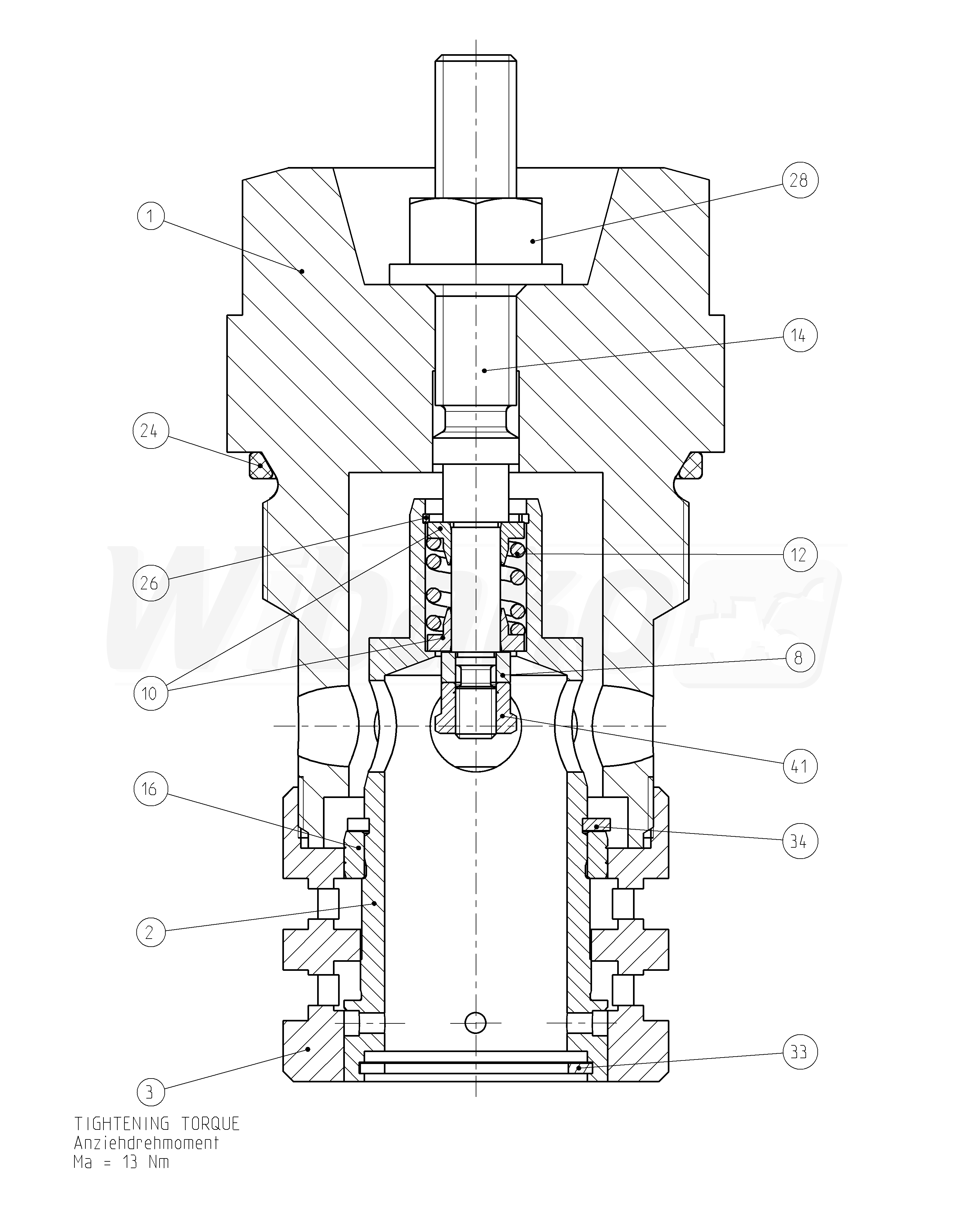
A4VG125DA2D2/31R-NAF02F021F (R909442730)
CONTROL CARTRIDGE (44727)

CONTROL CARTRIDGE
(44727)

 
1

CONTROL SCREW
(13201)

 
2

DIFFERENTIAL PISTON
(44949)

 
3

CONTROLLER PIPE
(44950)

 
8

WASHER
(10528)

 
10

SPRING DISK
(10529)

 
12

COMPRESSION SPRING
(12505)

 
14

SETSCREW
(10531)

 
16

RING
(13204)

 
24

O-RING
(11174)

 
26

SNAP RING
(10533)

 
28

SEALING NUT
(10215)

 
33

V-RING
(13082)

 
34

V-RING
(13205)

 
41

HEXAGON NUT
(10537)

 

Return

The above diagrams belong to Rexroth www.boschrexroth.com
DID YOU NOTICE AN ERROR? REPORT »
DID YOU NOTICE AN ERROR? REPORT
×

The error was sent. Thank you.