EXPAND MENU COLLAPSE MENU

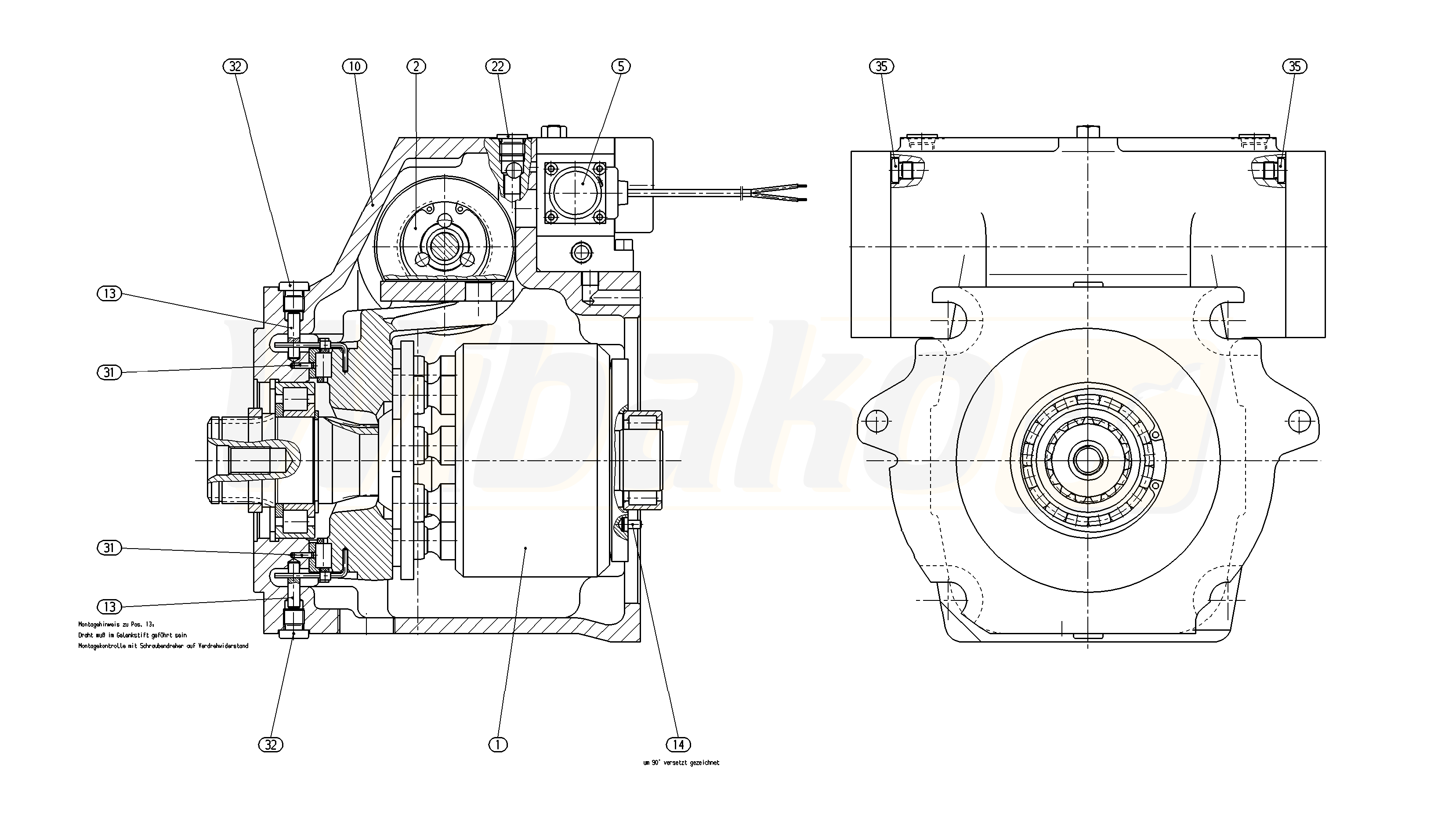
A4VG125EP2D1/32L-XXXXXN001E-S (R902001268)

Axial piston variable pump A4VG. Geometric displacement 125 cm3. Pressure cut-off. Without DA control valve. Series 3, index 2. Direction of rotation (viewed on drive shaft): counter-clockwise.
1

ROTARY GROUP
(44967)

Group »

 
2

CONTROL
(15000)

Group »

 
5

CONTROL MODULE
(44969)

Group »

 
10

HOUSING
(45015)

 
13

PIVOT PIN
(11100)

 
14

POITIONING PIN
(10183)

 
22

SCREW PLUG
(11370)

 
31

SLOTTED SPRING PIN
(10396)

 
32

SCREW PLUG
(10190)

 
35

SCREW PLUG
(10220)

 

Return

The above diagrams belong to Rexroth www.boschrexroth.com
DID YOU NOTICE AN ERROR? REPORT »
DID YOU NOTICE AN ERROR? REPORT
×

The error was sent. Thank you.