EXPAND MENU COLLAPSE MENU

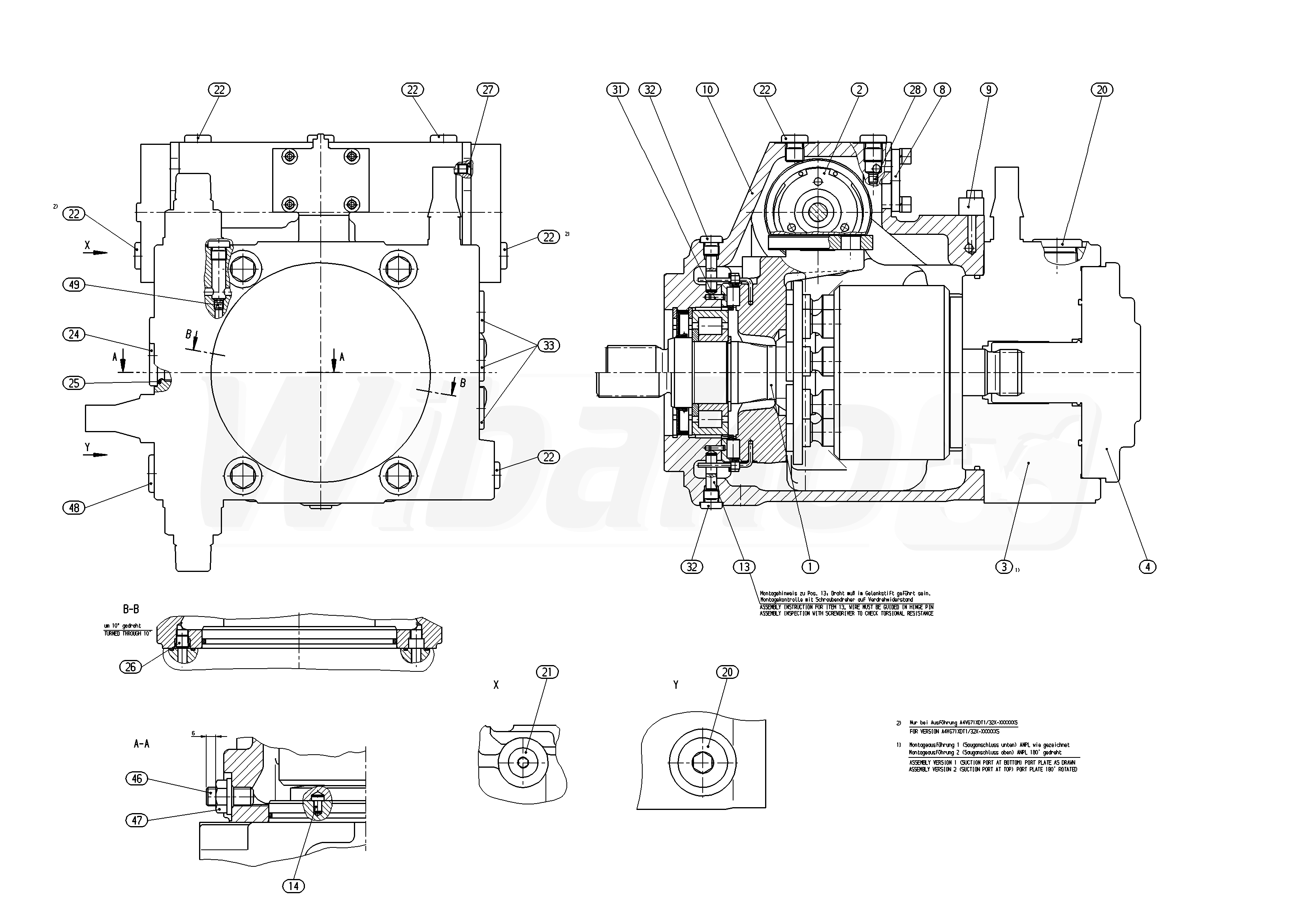
A4VG125EP1/32+A4VG71NV/32 (R902079507)
AXIAL-PISTON PUMP (46559)

AXIAL-PISTON PUMP
(46559)

 
1

ROTARY GROUP
(19553)

Group »

 
2

CONTROL
(22407)

Group »

 
3

CONNECTION PLATE
(10612)

Group »

 
4

INTERNAL GEAR PUMP
(14515)

Group »

 
8

SEALING PLATE
(21381)

Group »

 
9

SEALING COVER
(40033)

Group »

 
10

HOUSING
(14177)

 
13

PIVOT PIN
(10393)

 
14

POITIONING PIN
(10183)

 
20

SCREW PLUG
(10394)

 
21

SCREW PLUG
(10015)

 
22

SCREW PLUG
(10190)

 
24

SCREW PLUG
(12195)

 
25

O-RING
(10534)

 
26

SCREW PLUG
(11753)

 
27

DOUBLE BREAK-OFF PLUG
(18990)

 
28

NOZZLE
(10073)

 
31

SLOTTED SPRING PIN
(10396)

 
32

SCREW PLUG
(10220)

 
33

SCREW PLUG
(10397)

 
46

SETSCREW
(13380)

 
47

SEALING NUT
(10399)

 
48

SCREW PLUG
(10090)

 
49

NOZZLE
(10618)

 
98

SEAL KIT
(10620)

 

Return

The above diagrams belong to Rexroth www.boschrexroth.com
DID YOU NOTICE AN ERROR? REPORT »
DID YOU NOTICE AN ERROR? REPORT
×

The error was sent. Thank you.