EXPAND MENU COLLAPSE MENU

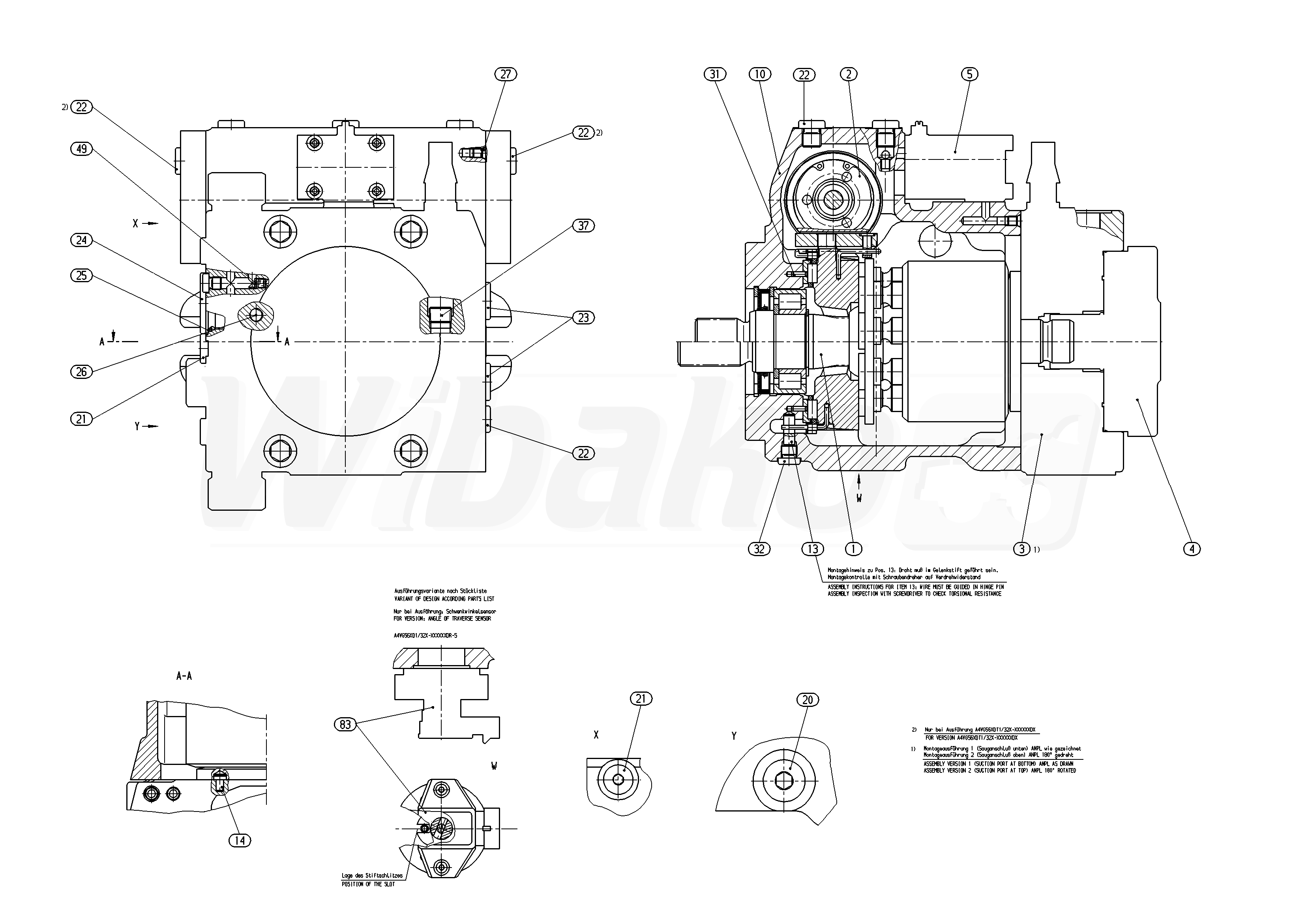
AA4VG56EP3D1/32R-NZCXXF005DC-S (R902111309)

Axial piston variable pump A4VG. Geometric displacement 56 cm3. Proportional control, electric U = 12 V. Pressure cut-off. Without DA control valve. Series 3, index 2. Direction of rotation (viewed on drive shaft): clockwise. Sealing material: NBR (nitrile rubber), shaft seal in FKM (fluoroelastomer). Splined shaft DIN 5480 for single pump. Mounting flange SAE J744 2-hole.
1

ROTARY GROUP
(15146)

Group »

 
2

CONTROL
(22145)

Group »

 
3

CONNECTION PLATE
(21524)

Group »

 
4

INTERNAL GEAR PUMP
(10810)

Group »

 
5

CONTROL MODULE
(19226)

Group »

 
10

HOUSING
(23296)

 
13

PIVOT PIN
(10813)

 
14

POITIONING PIN
(10183)

 
20

SCREW PLUG
(14354)

 
21

SCREW PLUG
(11370)

 
22

SCREW PLUG
(11371)

 
24

SCREW PLUG
(12195)

 
25

O-RING
(10534)

 
26

SCREW PLUG
(11753)

 
27

DOUBLE BREAK-OFF PLUG

 
31

SLOTTED SPRING PIN
(10396)

 
32

SCREW PLUG
(10220)

 
37

SCREW PLUG
(13474)

 
49

NOZZLE
(10618)

 
98

SEAL KIT
(12643)

 

Return

The above diagrams belong to Rexroth www.boschrexroth.com
DID YOU NOTICE AN ERROR? REPORT »
DID YOU NOTICE AN ERROR? REPORT
×

The error was sent. Thank you.