EXPAND MENU COLLAPSE MENU

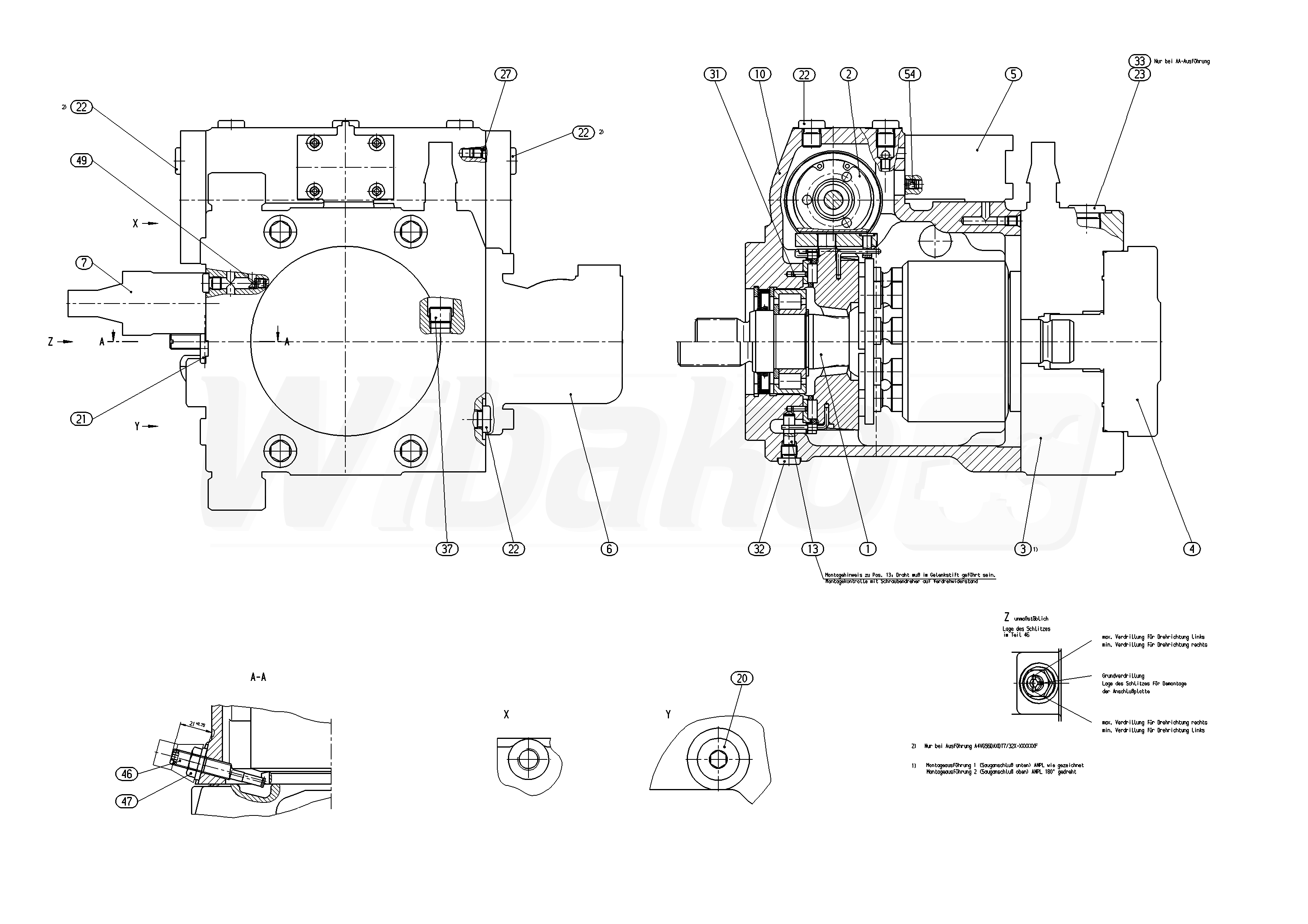
AA4VG56DA1D7/32R-NSC52F005FH-S (R902055055)

Axial piston variable pump A4VG. Geometric displacement 56 cm3. Automatic control, speed related U = 12 V. Pressure cut-off. DA control valve, fixed setting, ports for pilot control device. Series 3, index 2. Direction of rotation (viewed on drive shaft): clockwise. Sealing material: NBR (nitrile rubber), shaft seal in FKM (fluoroelastomer). Splined shaft ANSI B92.1a for single pump. Mounting flange SAE J744 2-hole. Integrated boost pump. Without through drive. High-pressure relief valve, direct operated, fixed setting 250 to 420 bar with bypass. Filtration in the boost pump pressure line. Attachment filter with cold start valve.
1

ROTARY GROUP
(19658)

Group »

 
2

CONTROL
(21606)

Group »

 
3

CONNECTION PLATE
(15073)

Group »

 
4

INTERNAL GEAR PUMP
(10810)

Group »

 
5

DIRECTIONAL-CONTROL VALVE
(22902)

Group »

 
6

FILTER
(13472)

Group »

 
7

CONTROL CARTRIDGE
(10391)

Group »

 
10

HOUSING
(15075)

 
13

PIVOT PIN
(10813)

 
20

SCREW PLUG
(14354)

 
21

SCREW PLUG
(11370)

 
22

SCREW PLUG
(11371)

 
27

DOUBLE BREAK-OFF PLUG

 
31

SLOTTED SPRING PIN
(10396)

 
32

SCREW PLUG
(10220)

 
33

SCREW PLUG
(11372)

 
37

SCREW PLUG
(13474)

 
46

ECCENTRIC SCREW
(10814)

 
47

SEALING NUT
(10815)

 
49

NOZZLE
(10618)

 
54

NOZZLE
(10619)

 

Return

The above diagrams belong to Rexroth www.boschrexroth.com
DID YOU NOTICE AN ERROR? REPORT »
DID YOU NOTICE AN ERROR? REPORT
×

The error was sent. Thank you.