EXPAND MENU COLLAPSE MENU

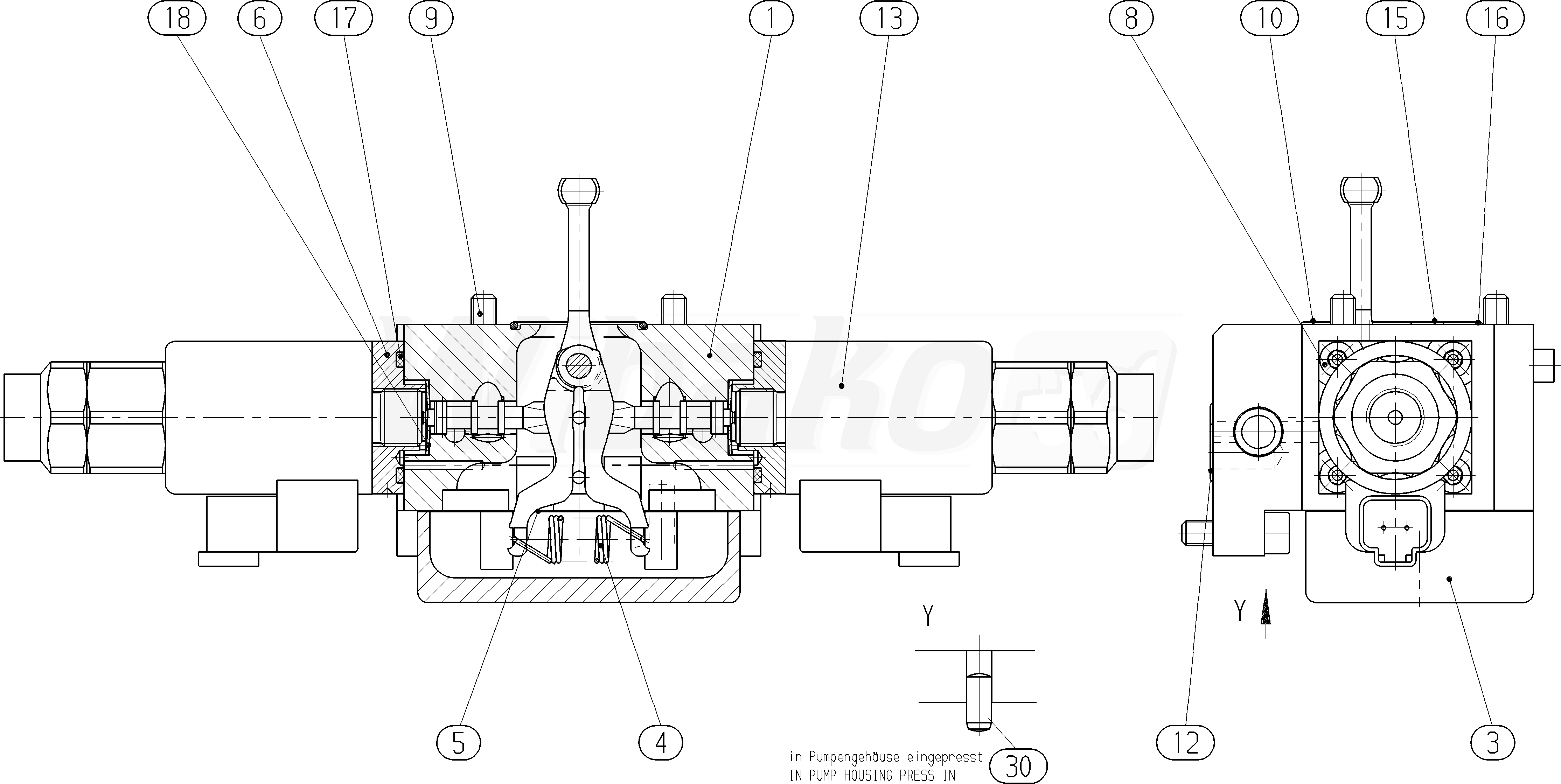
A4VG125EP2MT1/32R-NSF02F021SP-S (R992002004)
CONTROL MODULE (32339)

CONTROL MODULE
(32339)

 
1

BASIC UNIT
(32340)

Group »

 
3

COVER
(13413)

 
4

EXTENSION SPRING
(13414)

 
5

SEAL
(13412)

 
6

LOCATION PIECE
(13796)

 
8

SOCKET HEAD CAP SCREW
(12810)

 
9

SOCKET HEAD CAP SCREW
(12219)

 
10

O-RING
(10508)

 
12

O-RING
(15512)

 
13

PROPORTIONAL SOLENOID
(22527)

 
15

O-RING
(10450)

 
16

O-RING
(10370)

 
17

O-RING
(11843)

 
18

DISC SPRING
(26825)

 
30

STRAIGHT PIN
(12694)

 
98

SEAL KIT
(11169)

 

Return

The above diagrams belong to Rexroth www.boschrexroth.com
DID YOU NOTICE AN ERROR? REPORT »
DID YOU NOTICE AN ERROR? REPORT
×

The error was sent. Thank you.