EXPAND MENU COLLAPSE MENU

A4VG125DA2/32+A10VO60DFR/52 (R902127051)
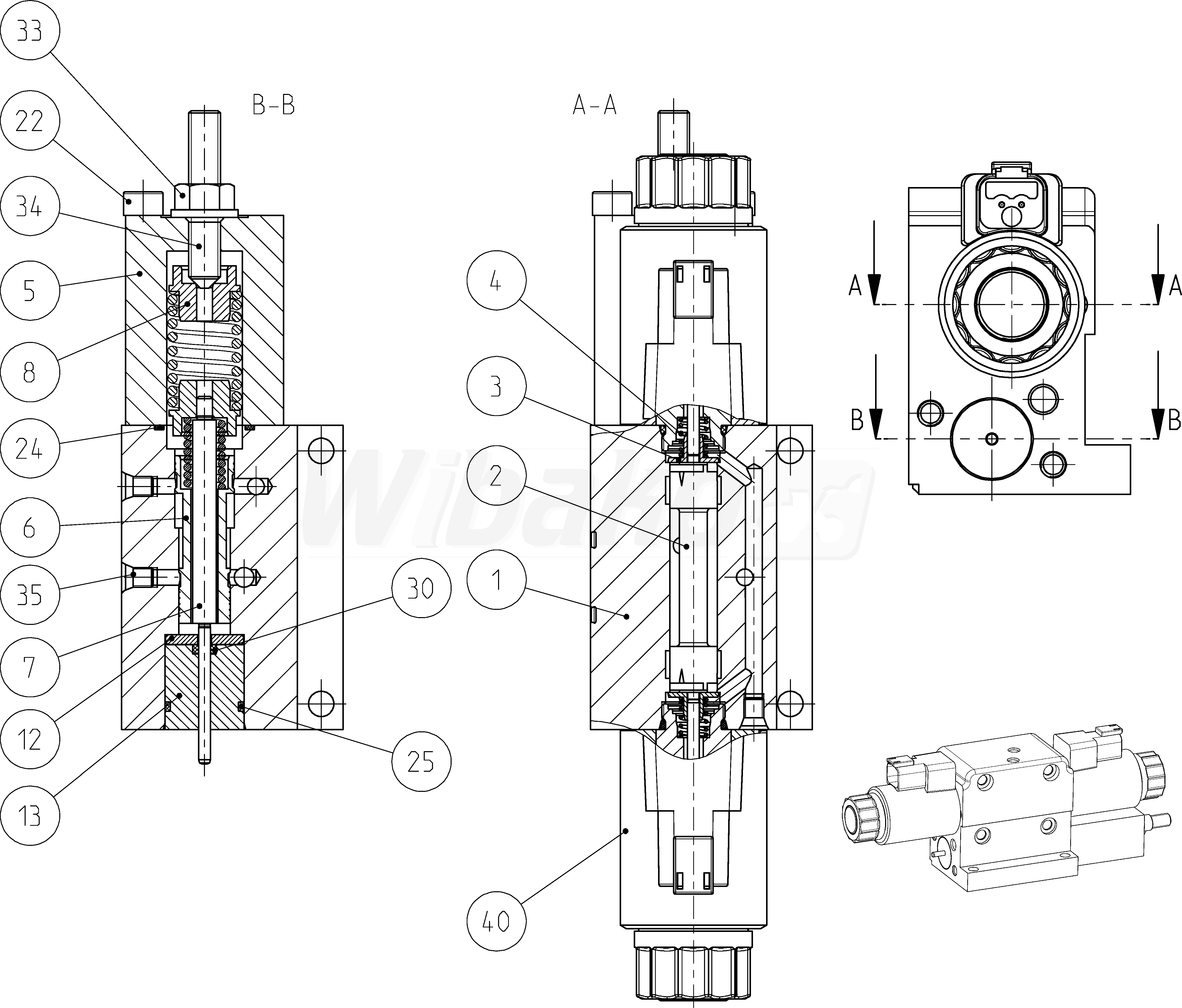
DIRECTIONAL-CONTROL VALVE (44605)

DIRECTIONAL-CONTROL VALVE
(44605)

 
1

VALVE HOUSING
(12919)

 
2

CONTROL PISTON
(12920)

 
3

SPRING DISK
(12921)

 
4

COMPRESSION SPRING
(10496)

 
5

SPRING HOUSING
(10497)

Group »

 
6

CONTROL PISTON
(10498)

 
7

GUIDE ROD
(10499)

 
8

SPRING DISK
(10500)

 
12

WASHER
(10503)

 
13

SEAL BUSHING
(10504)

 
22

SOCKET HEAD CAP SCREW
(10507)

 
24

O-RING
(12922)

 
25

O-RING
(10247)

 
30

O-RING
(10513)

 
33

SEALING NUT
(10215)

 
34

SETSCREW
(10516)

 
35

DOUBLE BREAK-OFF PLUG
(19008)

 
40

SWITCHING SOLENOID
(23276)

 

Return

The above diagrams belong to Rexroth www.boschrexroth.com
DID YOU NOTICE AN ERROR? REPORT »
DID YOU NOTICE AN ERROR? REPORT
×

The error was sent. Thank you.