EXPAND MENU COLLAPSE MENU

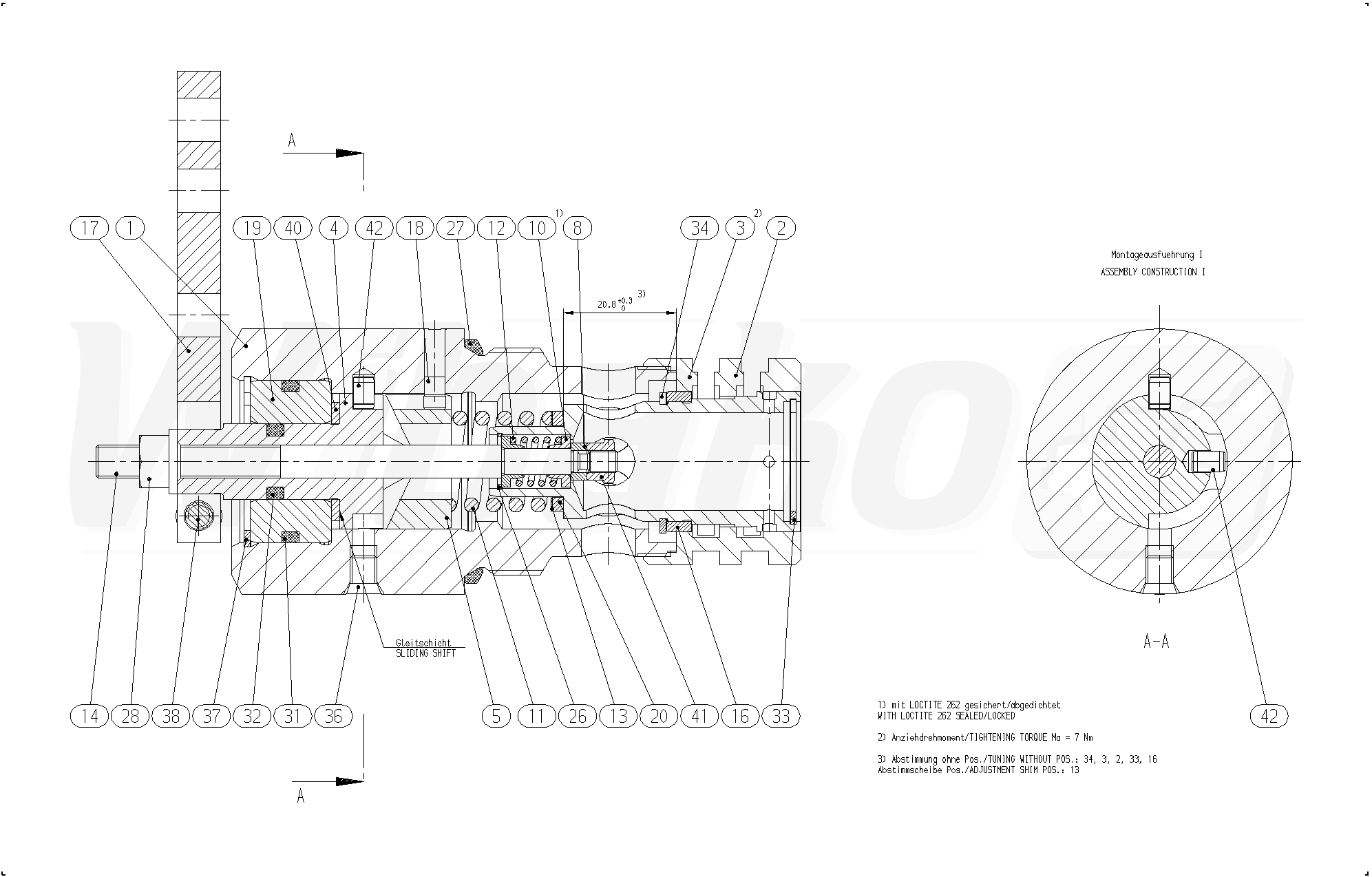
A4VG125DA1D3/31R-PZF02F001S (R909441362)
CONTROL CARTRIDGE (44217)

CONTROL CARTRIDGE
(44217)

 
1

CONTROL SCREW
(32579)

 
2

DIFFERENTIAL PISTON
(13202)

 
3

CONTROLLER PIPE
(13203)

 
4

POSITIONING STUD
(10686)

 
5

SPRING DISK
(10687)

 
8

WASHER
(10528)

 
10

SPRING DISK
(10529)

 
11

COMPRESSION SPRING
(17441)

 
12

COMPRESSION SPRING
(10530)

 
13

WASHER
(10689)

 
14

STUD
(10690)

 
16

RING
(13204)

 
17

LEVER
(10691)

 
18

PIN
(10692)

 
19

LOCKING RING
(10693)

 
20

WASHER
(10694)

 
26

SNAP RING
(10533)

 
27

O-RING
(11174)

 
28

SEALING NUT
(10369)

 
31

O-RING
(10695)

 
32

O-RING
(10332)

 
33

V-RING
(13082)

 
34

V-RING
(13205)

 
36

DOUBLE BREAK-OFF PLUG
(19008)

 
37

RETAINING RING
(10697)

 
38

SOCKET HEAD CAP SCREW
(10698)

 
40

FRICTION WASHER
(19044)

 
41

HEXAGON NUT
(10537)

 
42

CYLINDRICAL ROLLER
(10700)

 

Return

The above diagrams belong to Rexroth www.boschrexroth.com
DID YOU NOTICE AN ERROR? REPORT »
DID YOU NOTICE AN ERROR? REPORT
×

The error was sent. Thank you.