EXPAND MENU COLLAPSE MENU

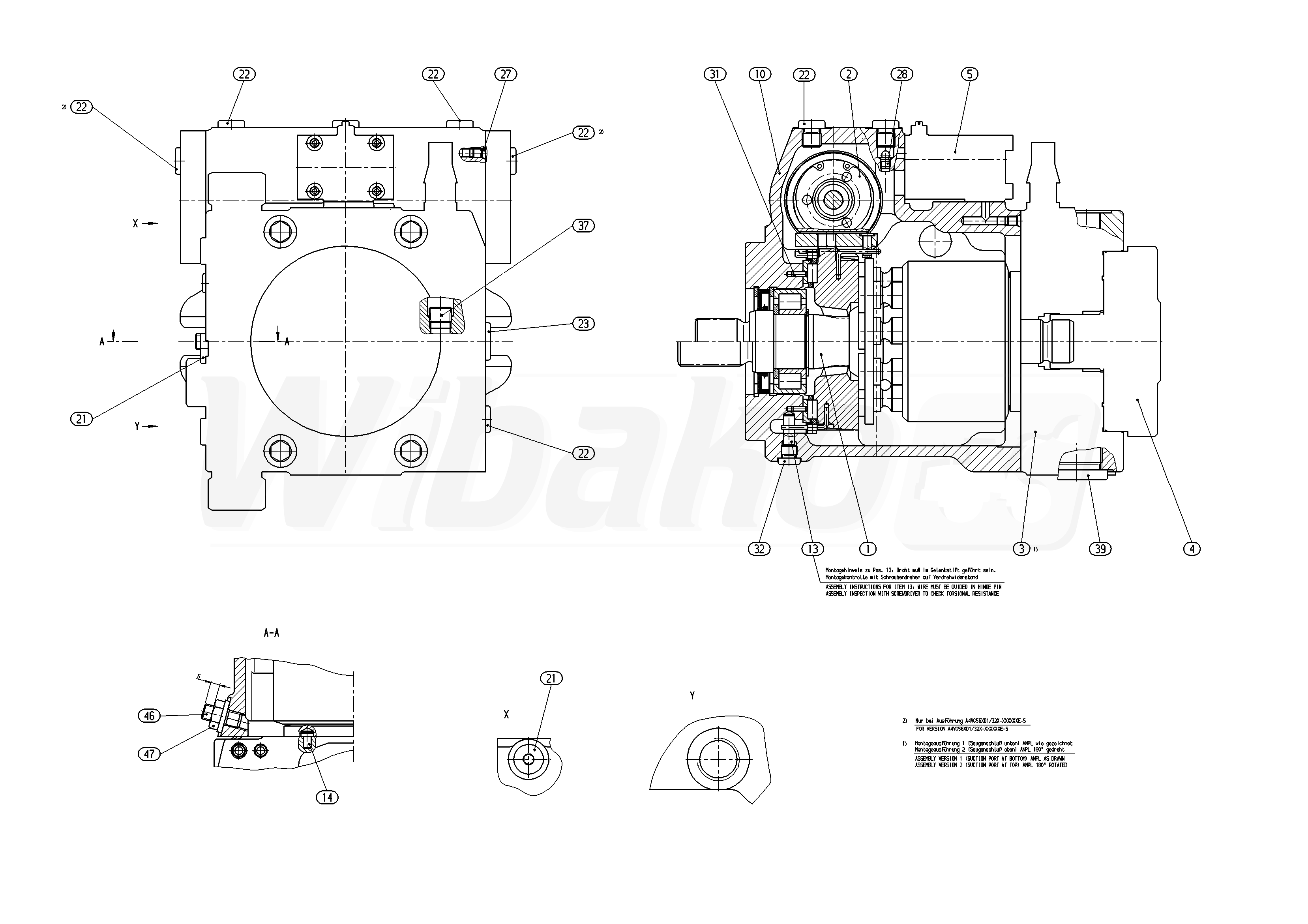
AA4VG56HWDL1/32R-NTCXXK075E-S (R902029625)

Axial piston variable pump A4VG. Geometric displacement 56 cm3. Series 3, index 2. Direction of rotation (viewed on drive shaft): clockwise. Sealing material: NBR (nitrile rubber), shaft seal in FKM (fluoroelastomer). Splined shaft ANSI B92.1a for combination pump – 1st pump. Mounting flange SAE J744 2-hole.
1

ROTARY GROUP

 
2

CONTROL
(15452)

Group »

 
3

CONNECTION PLATE
(23791)

Group »

 
4

BELL HOUSING
(21402)

Group »

 
5

CONTROL MODULE
(21672)

Group »

 
10

HOUSING
(15075)

 
13

PIVOT PIN
(10813)

 
14

POITIONING PIN
(10183)

 
21

SCREW PLUG
(11370)

 
22

SCREW PLUG
(11371)

 
27

DOUBLE BREAK-OFF PLUG

 
28

NOZZLE
(10619)

 
31

SLOTTED SPRING PIN
(10396)

 
32

SCREW PLUG
(10220)

 
33

SCREW PLUG
(11372)

 
37

SCREW PLUG
(13474)

 
39

SCREW PLUG
(19251)

 
46

SETSCREW
(12272)

 
47

SEALING NUT
(10815)

 
98

SEAL KIT
(20381)

 

Return

The above diagrams belong to Rexroth www.boschrexroth.com
DID YOU NOTICE AN ERROR? REPORT »
DID YOU NOTICE AN ERROR? REPORT
×

The error was sent. Thank you.