EXPAND MENU COLLAPSE MENU

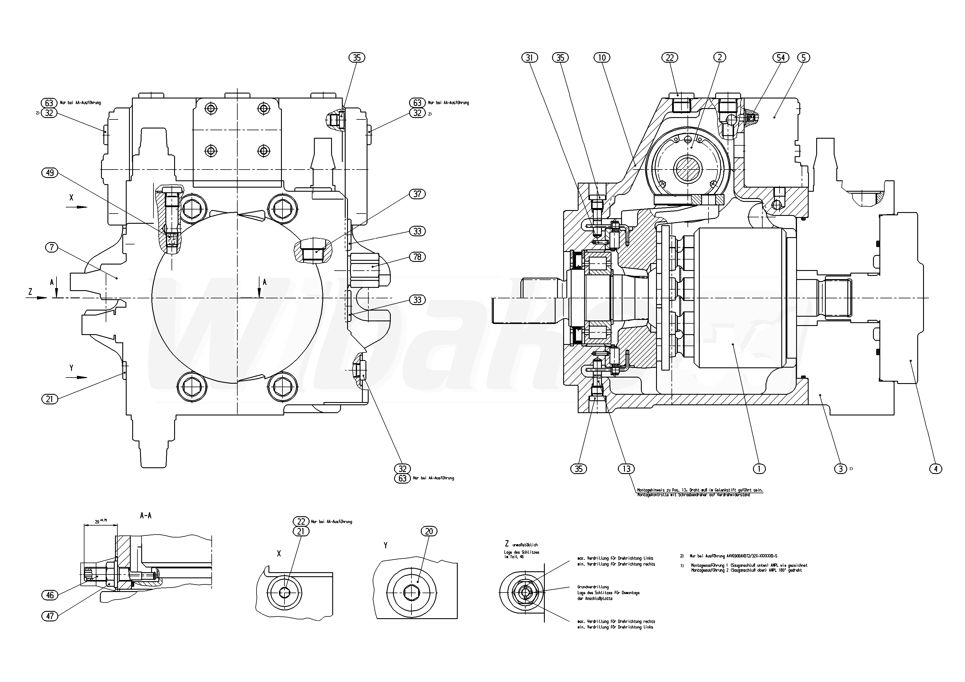
AA4VG90DA1D2/32R-NSF52F041DH-S (R902055245)

Axial piston variable pump A4VG. Geometric displacement 90 cm3. Automatic control, speed related U = 12 V. Pressure cut-off. DA control valve, fixed setting. Series 3, index 2. Direction of rotation (viewed on drive shaft): clockwise. Sealing material: NBR (nitrile rubber), shaft seal in FKM (fluoroelastomer). Splined shaft ANSI B92.1a for single pump. Mounting flange SAE J744 2+4-hole. Integrated boost pump. Flange SAE J744 101-2 (B), hub for splined shaft 1 in 15T 16/32DP. High pressure relief valve, pilot operated 100 to 420 bar with bypass. Filtration in the boost pump pressure line. Ports for external boost circuit filtration (Fe and Fa).
1

ROTARY GROUP
(14984)

Group »

 
2

CONTROL
(10387)

Group »

 
3

CONNECTION PLATE
(19202)

Group »

 
4

INTERNAL GEAR PUMP
(62733)

Group »

 
5

DIRECTIONAL-CONTROL VALVE
(19196)

Group »

 
7

CONTROL CARTRIDGE
(10391)

Group »

 
10

HOUSING
(19256)

 
13

PIVOT PIN
(10393)

 
20

SCREW PLUG
(14354)

 
21

SCREW PLUG
(11372)

 
22

SCREW PLUG
(11370)

 
31

SLOTTED SPRING PIN
(10396)

 
33

SCREW PLUG
(10397)

 
35

SCREW PLUG
(10220)

 
37

SCREW PLUG
(10976)

 
46

ECCENTRIC SCREW
(10398)

 
47

SEALING NUT
(10399)

 
49

NOZZLE
(10400)

 
54

THROTTLE SCREW
(14992)

 
63

SCREW PLUG
(11371)

 
78

THREADED PART
(24153)

Group »

 
98

SEAL KIT
(14557)

 

Return

The above diagrams belong to Rexroth www.boschrexroth.com
DID YOU NOTICE AN ERROR? REPORT »
DID YOU NOTICE AN ERROR? REPORT
×

The error was sent. Thank you.