EXPAND MENU COLLAPSE MENU

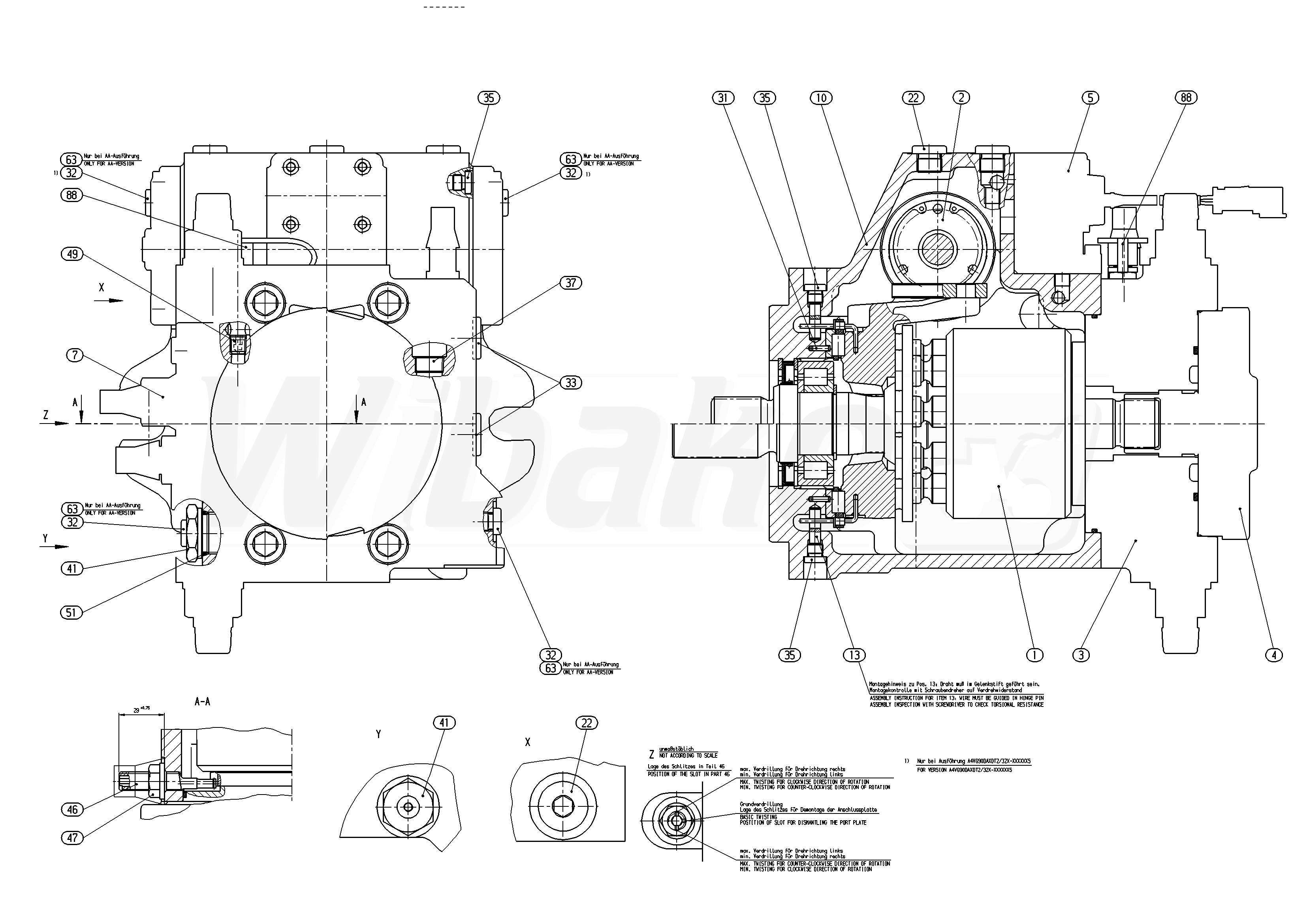
AA4VG90DA2DT2/32R-NXFXXFXX1DX-S (R909613477)

Axial piston variable pump A4VG. Geometric displacement 90 cm3. Automatic control, speed related U = 24 V. Pressure cut-off. Stroking chamber pressure port X3, X4. DA control valve, fixed setting. Series 3, index 2. Direction of rotation (viewed on drive shaft): clockwise. Sealing material: NBR (nitrile rubber), shaft seal in FKM (fluoroelastomer).
1

ROTARY GROUP
(19452)

Group »

 
2

CONTROL
(62968)

Group »

 
3

CONNECTION PLATE
(19454)

Group »

 
4

INTERNAL GEAR PUMP
(10389)

Group »

 
5

DIRECTIONAL-CONTROL VALVE
(19455)

Group »

 
7

CONTROL CARTRIDGE
(10391)

Group »

 
10

HOUSING
(62902)

 
13

PIVOT PIN
(10393)

 
21

SCREW PLUG
(11372)

 
22

SCREW PLUG
(11370)

 
31

SLOTTED SPRING PIN
(10396)

 
33

SCREW PLUG
(10397)

 
35

SCREW PLUG
(10220)

 
37

SCREW PLUG
(10976)

 
41

THREADED REDUCING STUD
(15662)

 
46

ECCENTRIC SCREW
(10398)

 
47

SEALING NUT
(10399)

 
49

NOZZLE
(10400)

 
51

O-RING
(15663)

 
63

SCREW PLUG
(11371)

 
84

ORIFICE
(10578)

 
87

CONNECTOR PLUG
(19544)

 
88

CONNECTOR PLUG
(15665)

 

Return

The above diagrams belong to Rexroth www.boschrexroth.com
DID YOU NOTICE AN ERROR? REPORT »
DID YOU NOTICE AN ERROR? REPORT
×

The error was sent. Thank you.