EXPAND MENU COLLAPSE MENU

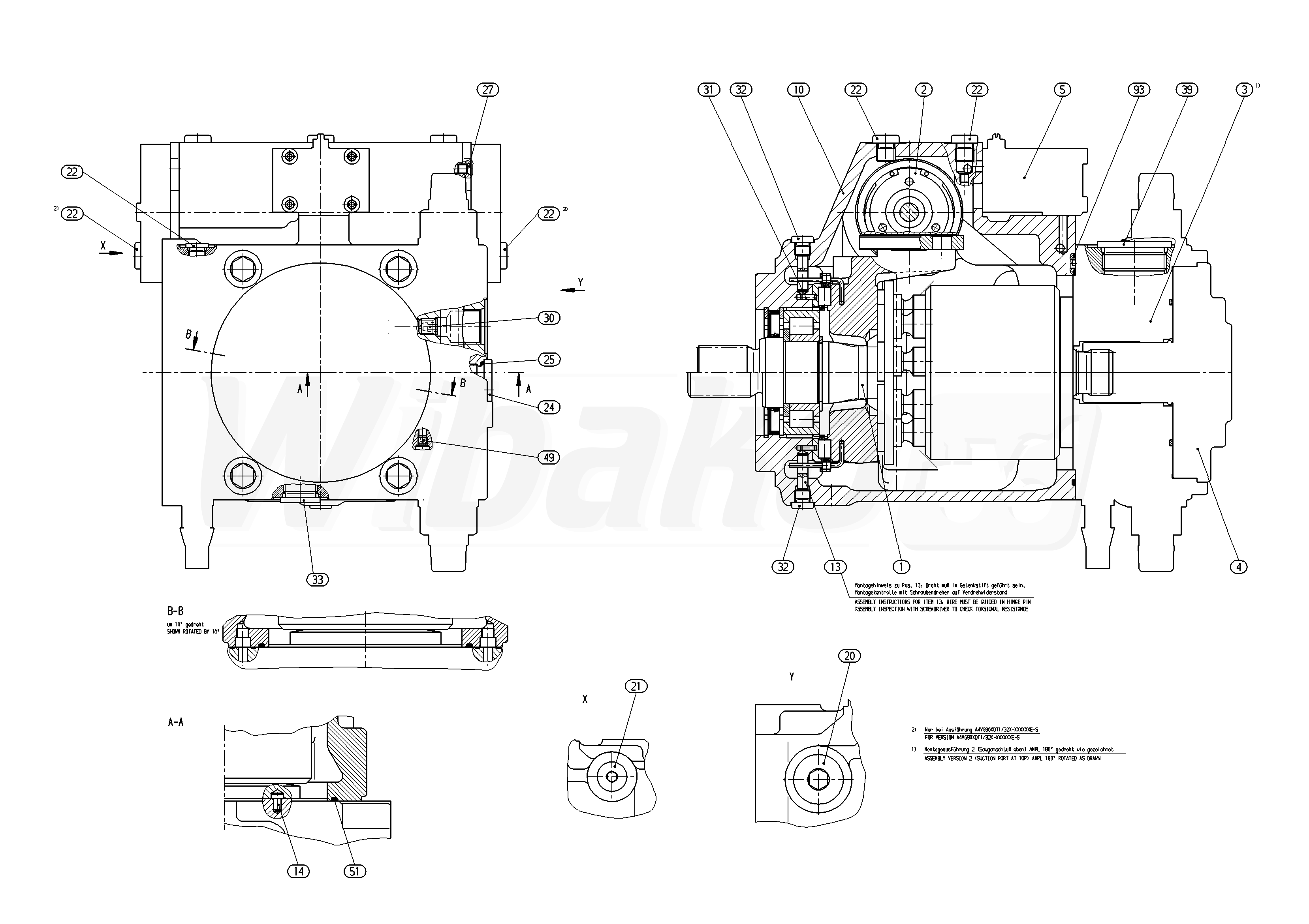
AA4VG90EP3D1/32R-NXF13K021EC-S *FNI* (R902198667)

Axial piston variable pump A4VG. Geometric displacement 90 cm3. Proportional control, electric U = 12 V. Pressure cut-off. Without DA control valve. Series 3, index 2. Direction of rotation (viewed on drive shaft): clockwise. Sealing material: NBR (nitrile rubber), shaft seal in FKM (fluoroelastomer).
1

ROTARY GROUP
(63753)

Group »

 
2

CONTROL
(16013)

Group »

 
3

CONNECTION PLATE
(63754)

Group »

 
4

BELL HOUSING
(63228)

Group »

 
5

CONTROL MODULE
(63755)

Group »

 
10

HOUSING
(63775)

 
13

PIVOT PIN
(10393)

 
14

POITIONING PIN
(10183)

 
20

SCREW PLUG
(14354)

 
21

SCREW PLUG
(11370)

 
22

SCREW PLUG
(11371)

 
24

SCREW PLUG
(12195)

 
25

O-RING
(10534)

 
27

DOUBLE BREAK-OFF PLUG
(18990)

 
30

NOZZLE
(10400)

 
31

SLOTTED SPRING PIN
(10396)

 
32

SCREW PLUG
(10220)

 
33

SCREW PLUG
(11369)

 
39

SCREW PLUG
(32173)

 
49

NOZZLE
(10618)

 
51

O-RING
(12776)

 
93

O-RING
(10227)

 

Return

The above diagrams belong to Rexroth www.boschrexroth.com
DID YOU NOTICE AN ERROR? REPORT »
DID YOU NOTICE AN ERROR? REPORT
×

The error was sent. Thank you.