EXPAND MENU COLLAPSE MENU

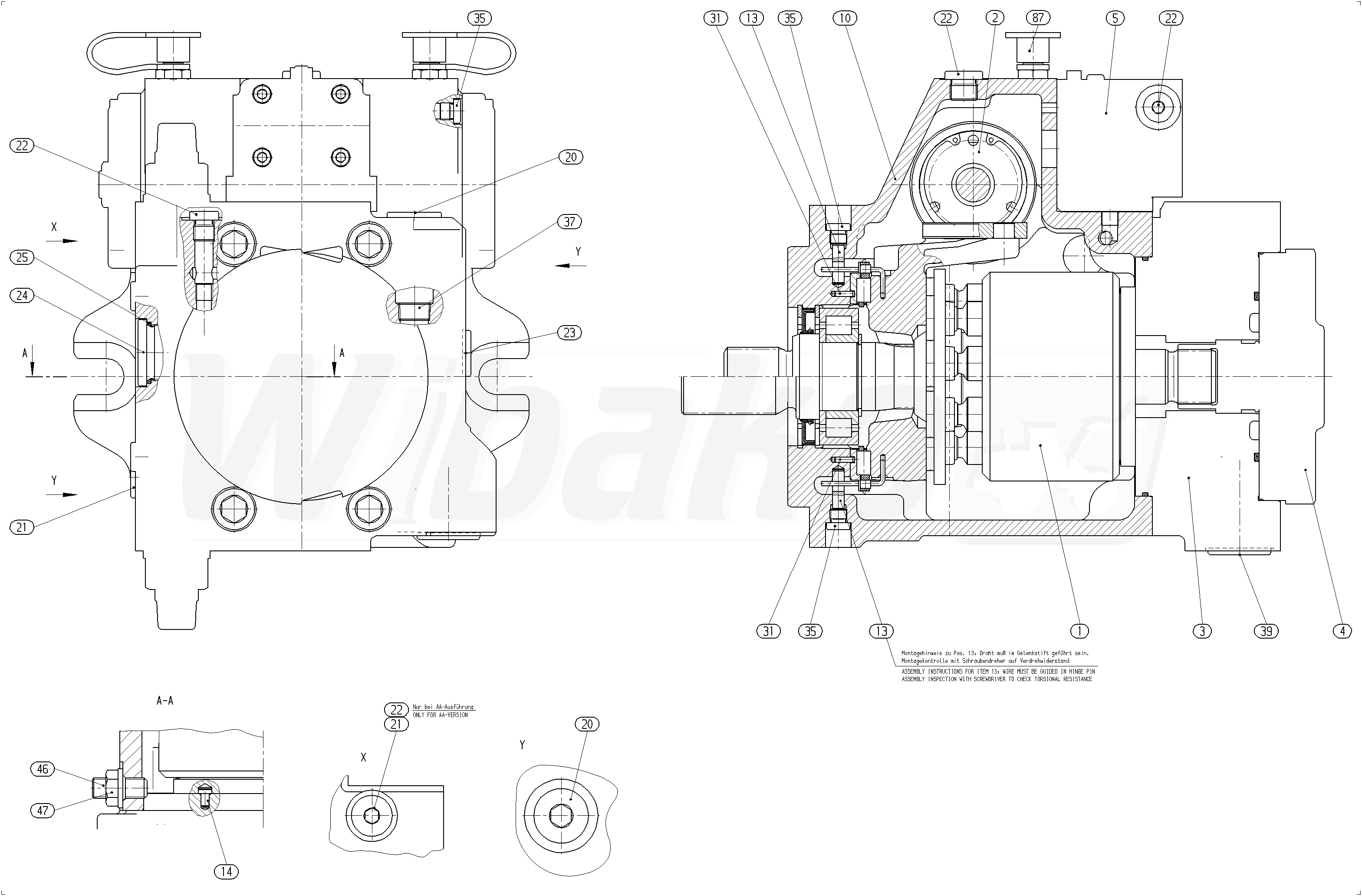
AA4VG90EP7X1/32R-NZFXXFXX1DP-S (R902168993)

Axial piston variable pump A4VG. Geometric displacement 90 cm3. Series 3, index 2. Direction of rotation (viewed on drive shaft): clockwise. Sealing material: NBR (nitrile rubber), shaft seal in FKM (fluoroelastomer). Splined shaft DIN 5480 for single pump. Mounting flange SAE J744 2+4-hole.
1

ROTARY GROUP
(57079)

Group »

 
2

CONTROL
(19626)

Group »

 
3

CONNECTION PLATE
(63976)

Group »

 
4

INTERNAL GEAR PUMP
(63412)

Group »

 
5

CONTROL MODULE
(63938)

Group »

 
10

HOUSING
(19256)

 
13

PIVOT PIN
(10393)

 
14

POITIONING PIN
(10183)

 
20

SCREW PLUG
(14354)

 
21

SCREW PLUG
(11372)

 
22

SCREW PLUG
(11370)

 
23

SCREW PLUG
(11369)

 
24

SCREW PLUG
(12195)

 
25

O-RING
(10534)

 
31

SLOTTED SPRING PIN
(10396)

 
35

SCREW PLUG
(10220)

 
37

SCREW PLUG
(10976)

 
39

SCREW PLUG
(32173)

 
46

SETSCREW
(13380)

 
47

SEALING NUT
(10399)

 
87

CONNECTOR PLUG
(15665)

 
98

SEAL KIT
(14557)

 

Return

The above diagrams belong to Rexroth www.boschrexroth.com
DID YOU NOTICE AN ERROR? REPORT »
DID YOU NOTICE AN ERROR? REPORT
×

The error was sent. Thank you.