EXPAND MENU COLLAPSE MENU

AA4VG90HD31/32L-NXFXXF001D-S (R902122977)
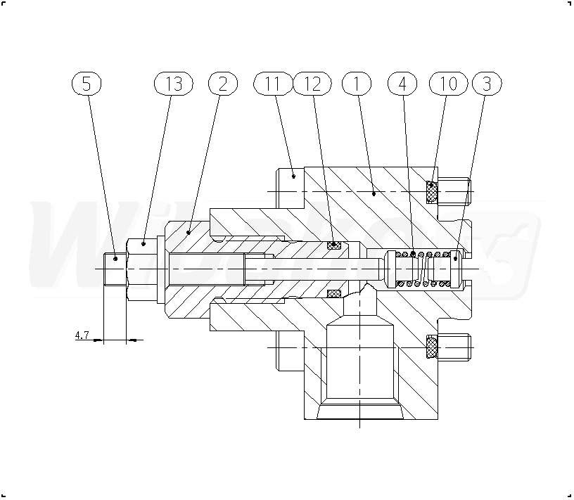
CONTROL MODULE ASSEMBLY (50683)

CONTROL MODULE ASSEMBLY
(50683)

 
1

HOUSING
(50749)

 
2

ADJUSTING SCREW
(48813)

 
3

SPRING DISK
(48811)

 
4

COMPRESSION SPRING
(48812)

 
5

SETSCREW
(48814)

 
10

O-RING
(11843)

 
11

SOCKET HEAD CAP SCREW
(11438)

 
12

O-RING
(10370)

 
13

SEALING NUT
(10369)

 

Return

The above diagrams belong to Rexroth www.boschrexroth.com
DID YOU NOTICE AN ERROR? REPORT »
DID YOU NOTICE AN ERROR? REPORT
×

The error was sent. Thank you.