EXPAND MENU COLLAPSE MENU

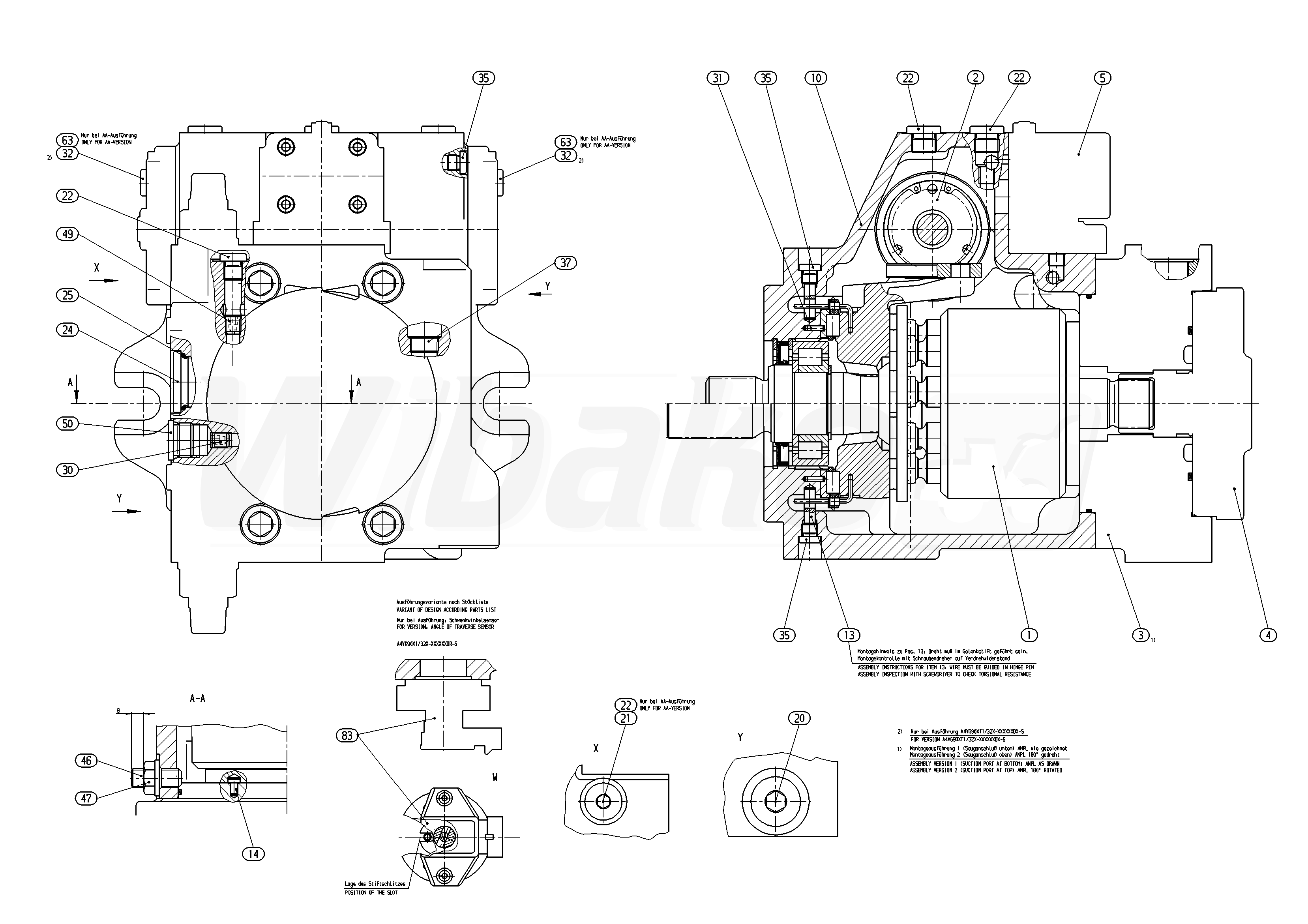
AA4VG90HD31/32L-NXFXXF001D-S (R902215269)

Axial piston variable pump A4VG. Geometric displacement 90 cm3. Proportional control, hydraulic, Pilot-pressure related p = 6 to 18 bar. Without DA control valve. Series 3, index 2. Direction of rotation (viewed on drive shaft): counter-clockwise. Sealing material: NBR (nitrile rubber), shaft seal in FKM (fluoroelastomer).
1

ROTARY GROUP
(64162)

Group »

 
2

CONTROL
(60772)

Group »

 
3

CONNECTION PLATE
(64048)

Group »

 
4

INTERNAL GEAR PUMP
(56784)

Group »

 
5

CONTROL MODULE
(64287)

Group »

 
10

HOUSING
(19256)

 
13

PIVOT PIN
(10393)

 
14

POITIONING PIN
(10183)

 
20

SCREW PLUG
(14354)

 
22

SCREW PLUG
(11370)

 
24

SCREW PLUG
(12195)

 
25

O-RING
(10534)

 
30

NOZZLE
(11101)

 
31

SLOTTED SPRING PIN
(10396)

 
35

SCREW PLUG
(10220)

 
37

SCREW PLUG
(10976)

 
46

SETSCREW
(13380)

 
47

SEALING NUT
(10399)

 
49

NOZZLE
(10400)

 
50

SCREW PLUG
(11369)

 

Return

The above diagrams belong to Rexroth www.boschrexroth.com
DID YOU NOTICE AN ERROR? REPORT »
DID YOU NOTICE AN ERROR? REPORT
×

The error was sent. Thank you.