EXPAND MENU COLLAPSE MENU

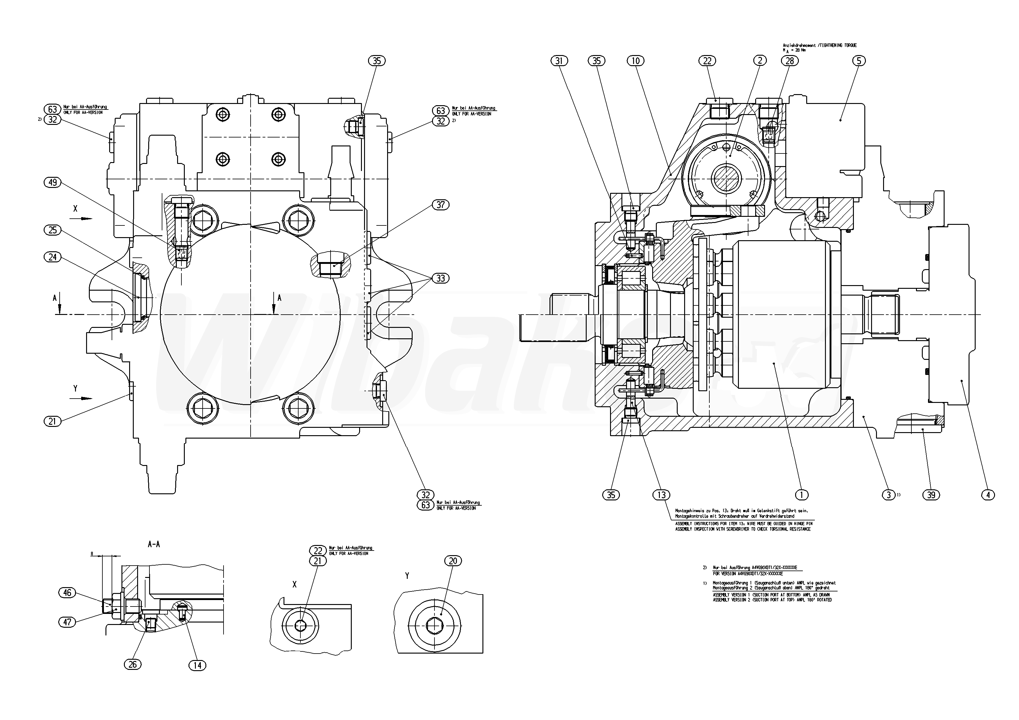
AA4VG90HWDL1/32R-NUF52K021E (R902003467)

Axial piston variable pump A4VG. Geometric displacement 90 cm3. Series 3, index 2. Direction of rotation (viewed on drive shaft): clockwise. Sealing material: NBR (nitrile rubber), shaft seal in FKM (fluoroelastomer). Splined shaft ANSI B92.1a only for combination pump – 2nd pump. Mounting flange SAE J744 2+4-hole. Without integrated boost pump. Flange SAE J744 101-2 (B), hub for splined shaft 7/8 in 13T 16/32DP. High pressure relief valve, pilot operated 100 to 420 bar with bypass. External boost pressure supply.
1

ROTARY GROUP
(62760)

Group »

 
2

CONTROL
(14554)

Group »

 
3

CONNECTION PLATE
(62996)

Group »

 
4

BELL HOUSING
(63200)

Group »

 
5

CONTROL MODULE
(23024)

Group »

 
10

HOUSING
(62902)

 
13

PIVOT PIN
(10393)

 
14

POITIONING PIN
(10183)

 
20

SCREW PLUG
(14354)

 
21

SCREW PLUG
(11372)

 
22

SCREW PLUG
(11370)

 
24

SCREW PLUG
(12195)

 
25

O-RING
(10534)

 
26

SCREW PLUG
(11753)

 
28

NOZZLE
(13378)

 
31

SLOTTED SPRING PIN
(10396)

 
33

SCREW PLUG
(10397)

 
35

SCREW PLUG
(10220)

 
37

SCREW PLUG
(10976)

 
39

SCREW PLUG
(32173)

 
46

SETSCREW
(13380)

 
47

SEALING NUT
(10399)

 
49

NOZZLE
(10400)

 
63

SCREW PLUG
(11371)

 
98

SEAL KIT
(23334)

 

Return

The above diagrams belong to Rexroth www.boschrexroth.com
DID YOU NOTICE AN ERROR? REPORT »
DID YOU NOTICE AN ERROR? REPORT
×

The error was sent. Thank you.