EXPAND MENU COLLAPSE MENU

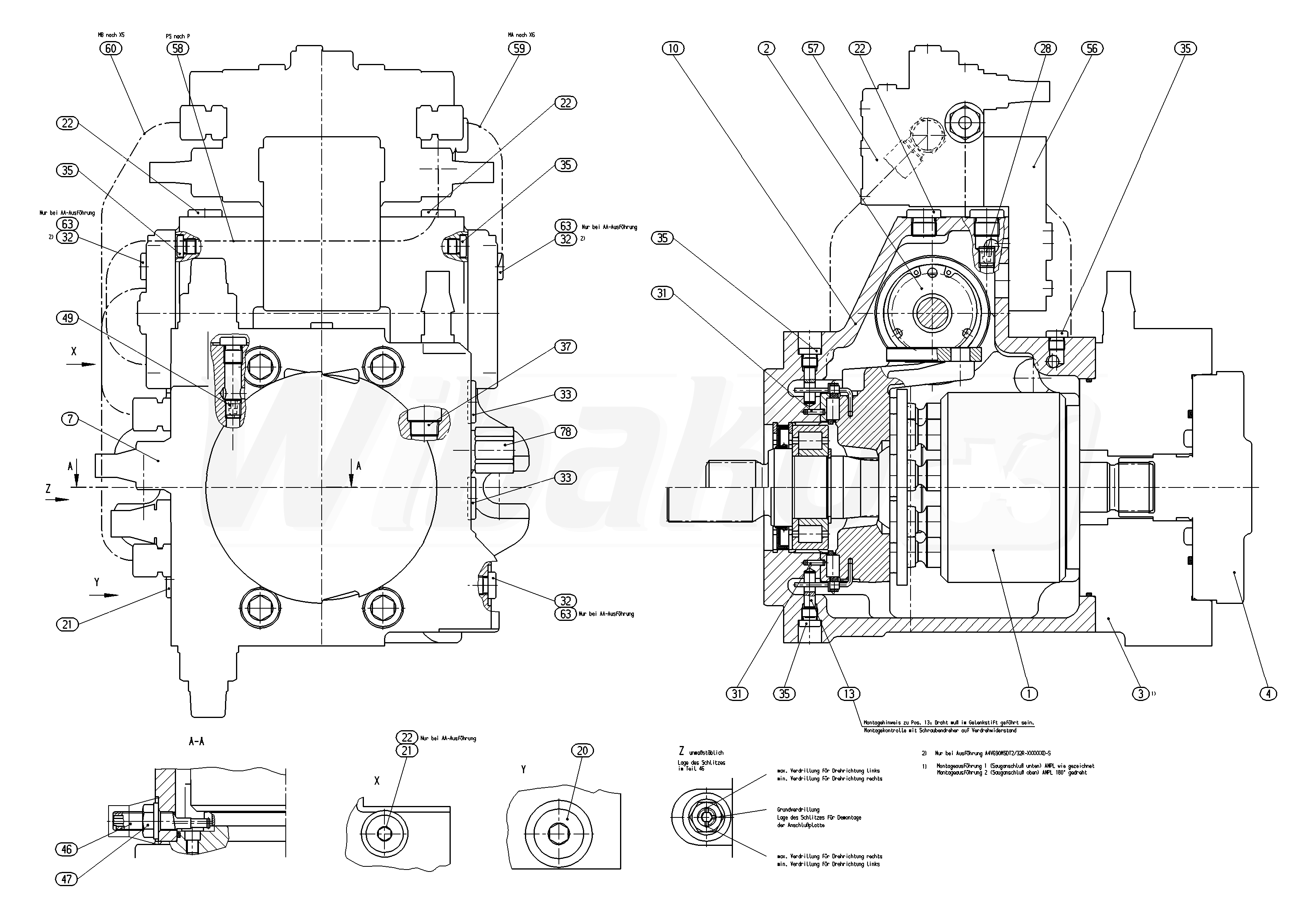
AA4VG90MSD2/32L-NSF52F071D-S (R902003912)

Axial piston variable pump A4VG. Geometric displacement 90 cm3. Mechanical stroke limiter, externally adjustable. Series 3, index 2. Direction of rotation (viewed on drive shaft): counter-clockwise. Sealing material: NBR (nitrile rubber), shaft seal in FKM (fluoroelastomer). Splined shaft ANSI B92.1a for single pump. Mounting flange SAE J744 2+4-hole. Integrated boost pump. Flange SAE J744 127-2 (C), hub for splined shaft 1 1/4 in 14T 12/24DP. High pressure relief valve, pilot operated 100 to 420 bar with bypass. Filtration in the boost pump pressure line. Ports for external boost circuit filtration (Fe and Fa).
1

ROTARY GROUP
(21549)

Group »

 
2

CONTROL
(14554)

Group »

 
3

CONNECTION PLATE
(64043)

Group »

 
4

INTERNAL GEAR PUMP
(30257)

Group »

 
7

CONTROL CARTRIDGE
(21379)

Group »

 
10

HOUSING
(62902)

 
13

PIVOT PIN
(10393)

 
20

SCREW PLUG
(14354)

 
21

SCREW PLUG
(11372)

 
22

SCREW PLUG
(11370)

 
28

NOZZLE
(13378)

 
31

SLOTTED SPRING PIN
(10396)

 
33

SCREW PLUG
(10397)

 
35

SCREW PLUG
(10220)

 
37

SCREW PLUG
(10976)

 
46

ECCENTRIC SCREW
(10398)

 
47

SEALING NUT
(10399)

 
49

NOZZLE
(10618)

 
56

CONNECTION PLATE
(49138)

Group »

 
57

TORQUE-PRESSURE CONTROL VALVE
(64745)

Group »

 
58

HYDRAULIC LINE
(64747)

Group »

 
59

HYDRAULIC LINE
(64756)

Group »

 
60

HYDRAULIC LINE
(64757)

Group »

 
63

SCREW PLUG
(11371)

 
78

THREADED PART
(24153)

Group »

 

Return

The above diagrams belong to Rexroth www.boschrexroth.com
DID YOU NOTICE AN ERROR? REPORT »
DID YOU NOTICE AN ERROR? REPORT
×

The error was sent. Thank you.