EXPAND MENU COLLAPSE MENU

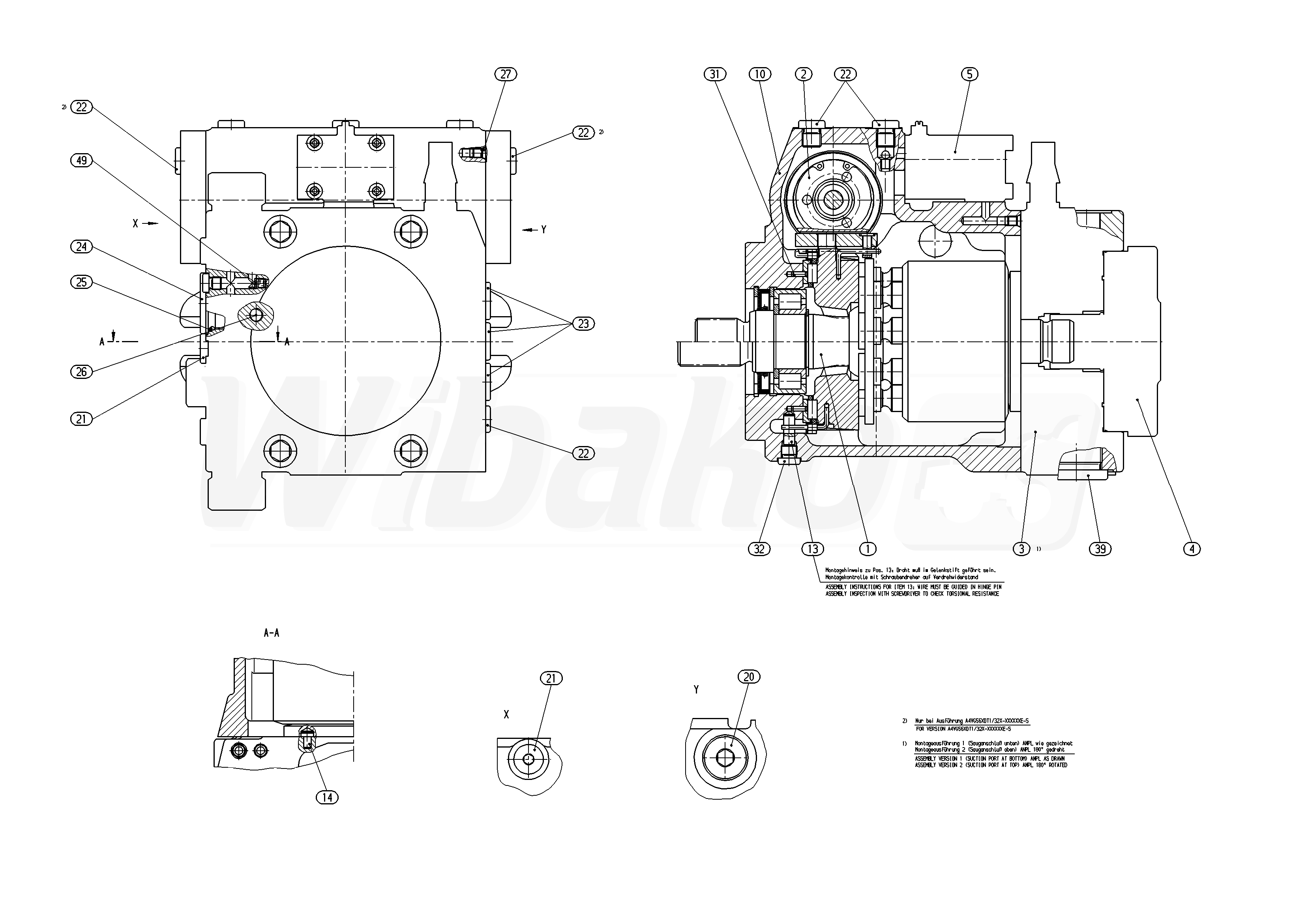
AA4VG56HDD1/32R-NTC52K045E-S (R902007979)

Axial piston variable pump A4VG. Geometric displacement 56 cm3. Series 3, index 2. Direction of rotation (viewed on drive shaft): clockwise. Sealing material: NBR (nitrile rubber), shaft seal in FKM (fluoroelastomer). Splined shaft ANSI B92.1a for combination pump – 1st pump. Mounting flange SAE J744 2-hole. Without integrated boost pump. Flange SAE J744 101-2 (B), hub for splined shaft 1 in 15T 16/32DP. High-pressure relief valve, direct operated, fixed setting 250 to 420 bar with bypass. External boost pressure supply.
1

ROTARY GROUP

 
2

CONTROL
(15452)

Group »

 
3

CONNECTION PLATE
(22821)

Group »

 
4

BELL HOUSING
(23537)

Group »

 
5

CONTROL MODULE

 
10

HOUSING
(23296)

 
13

PIVOT PIN
(10813)

 
14

POITIONING PIN
(10183)

 
20

SCREW PLUG
(14354)

 
21

SCREW PLUG
(11370)

 
22

SCREW PLUG
(11371)

 
23

SCREW PLUG
(10090)

 
24

SCREW PLUG
(12195)

 
25

O-RING
(10534)

 
26

SCREW PLUG
(11753)

 
27

DOUBLE BREAK-OFF PLUG

 
31

SLOTTED SPRING PIN
(10396)

 
32

SCREW PLUG
(10220)

 
39

SCREW PLUG
(19251)

 
49

NOZZLE
(10711)

 

Return

The above diagrams belong to Rexroth www.boschrexroth.com
DID YOU NOTICE AN ERROR? REPORT »
DID YOU NOTICE AN ERROR? REPORT
×

The error was sent. Thank you.