EXPAND MENU COLLAPSE MENU

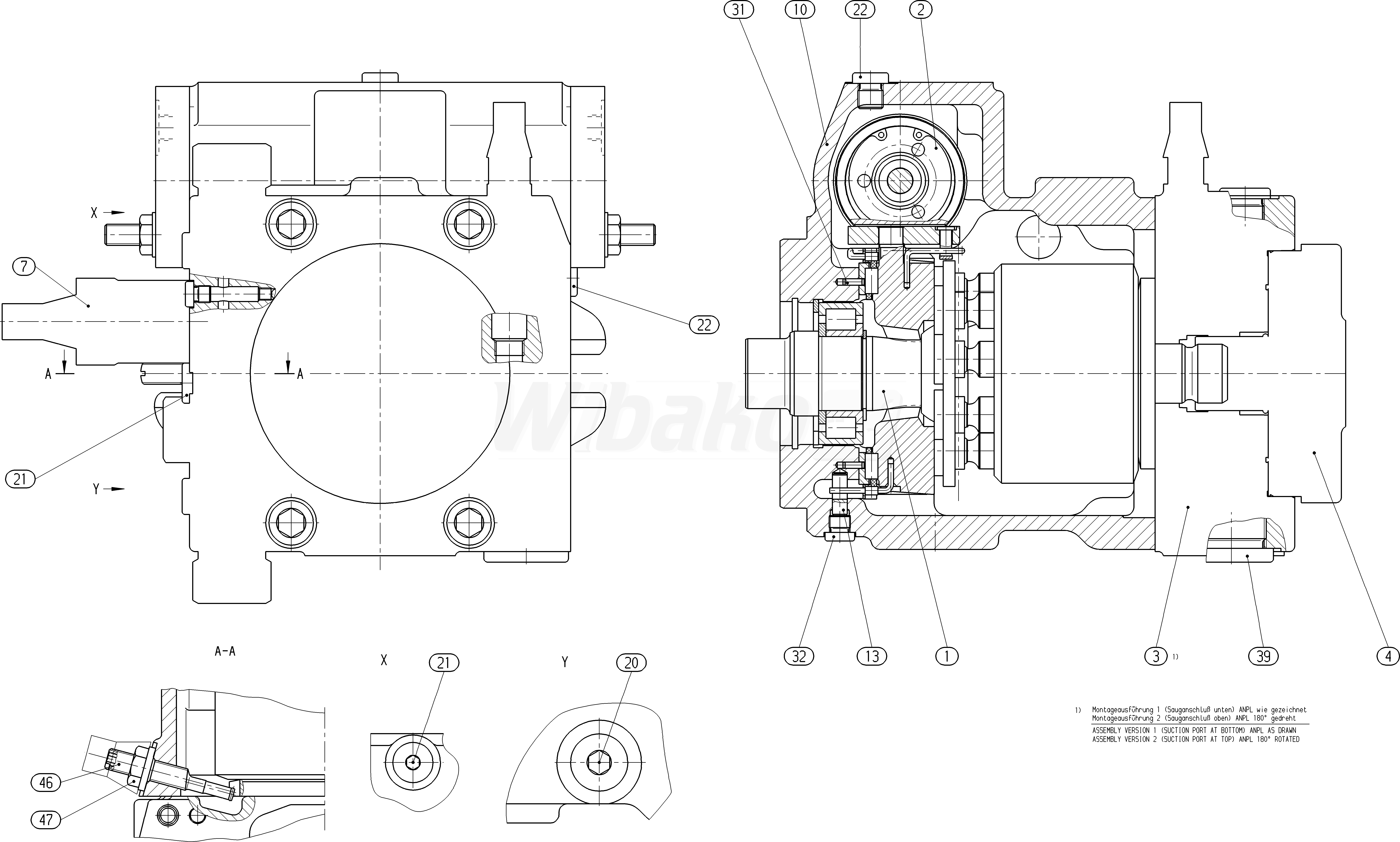
AA4VG56DGMT2/32R-XXCXXK043E-S (R902078259)

Axial piston variable pump A4VG. Geometric displacement 56 cm3. Hydraulic control, direct operated. Mechanical stroke limiter, externally adjustable. Stroking chamber pressure port X3, X4. DA control valve, fixed setting. Series 3, index 2. Direction of rotation (viewed on drive shaft): clockwise.
1

ROTARY GROUP
(25392)

Group »

 
2

CONTROL
(25590)

Group »

 
3

CONNECTION PLATE
(25593)

Group »

 
4

BELL HOUSING
(25594)

Group »

 
7

CONTROL CARTRIDGE
(25596)

Group »

 
10

HOUSING
(25599)

 
13

PIVOT PIN
(10813)

 
20

SCREW PLUG
(14354)

 
21

SCREW PLUG
(11370)

 
22

SCREW PLUG
(11371)

 
31

SLOTTED SPRING PIN
(10396)

 
32

SCREW PLUG
(10220)

 
39

SCREW PLUG
(19251)

 
46

ECCENTRIC SCREW
(10814)

 
47

SEALING NUT
(10815)

 
98

SEAL KIT
(20262)

 

Return

The above diagrams belong to Rexroth www.boschrexroth.com
DID YOU NOTICE AN ERROR? REPORT »
DID YOU NOTICE AN ERROR? REPORT
×

The error was sent. Thank you.