EXPAND MENU COLLAPSE MENU

AA4VG56DA1D7/32R-NSC52FXX5SH-S (R902081381)
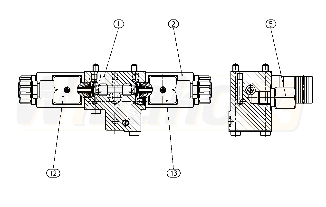
DIRECTIONAL-CONTROL VALVE (22902)

DIRECTIONAL-CONTROL VALVE
(22902)

 
1

VALVE HOUSING
(12646)

Group »

 
2

SWITCHING SOLENOID
(12480)

 
5

THREADED REDUCING STUD
(21661)

 
12

PLUG-IN CONNECTOR
(10518)

 
13

PLUG-IN CONNECTOR
(10519)

 
98

SEAL KIT
(10683)

 

Return

The above diagrams belong to Rexroth www.boschrexroth.com
DID YOU NOTICE AN ERROR? REPORT »
DID YOU NOTICE AN ERROR? REPORT
×

The error was sent. Thank you.