EXPAND MENU COLLAPSE MENU

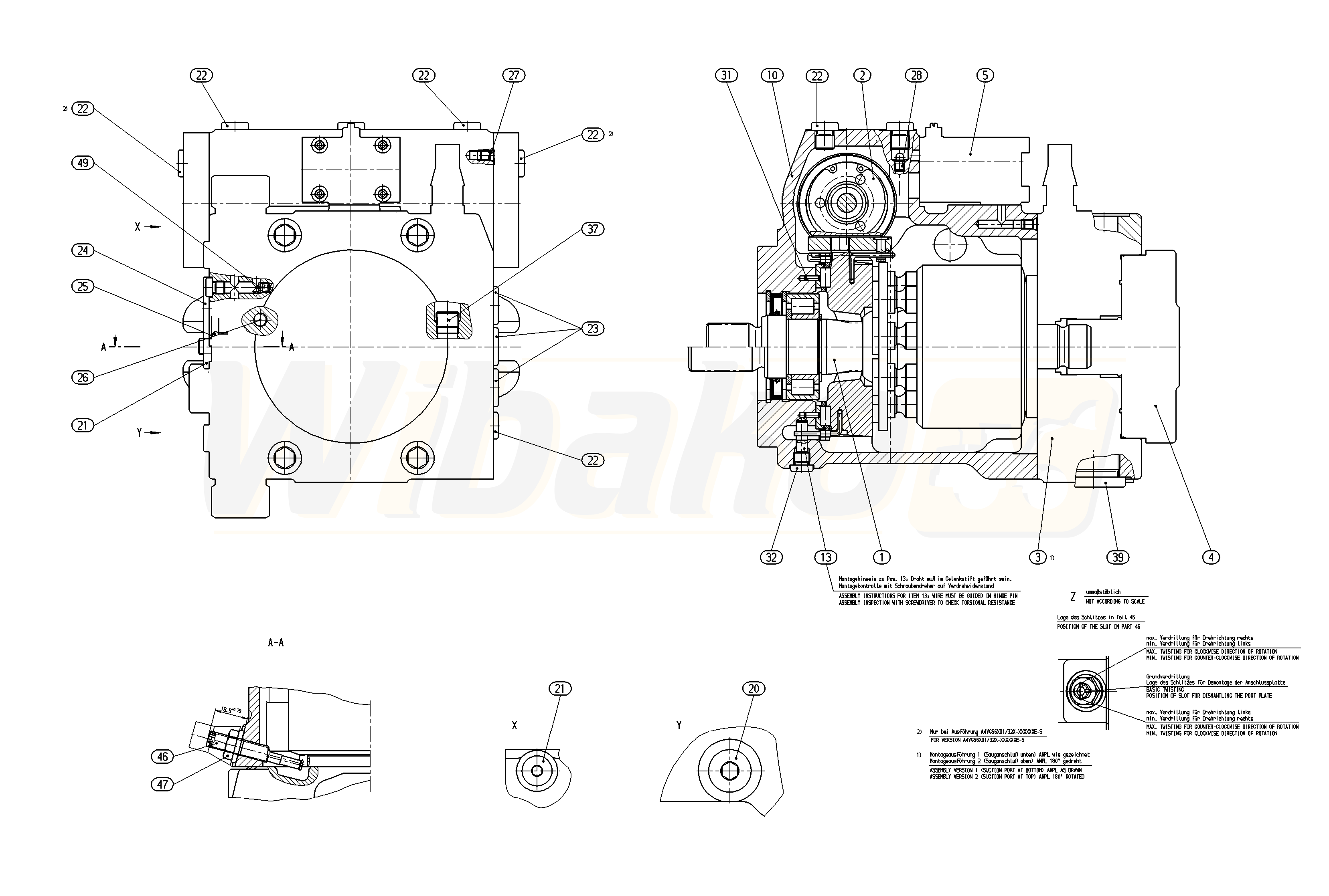
AA4VG56ES5DM1/32L-NSC52N003EM-ES (R902092682)

Axial piston variable pump A4VG. Geometric displacement 56 cm3. Series 3, index 2. Direction of rotation (viewed on drive shaft): counter-clockwise. Sealing material: NBR (nitrile rubber), shaft seal in FKM (fluoroelastomer). Splined shaft ANSI B92.1a for single pump. Mounting flange SAE J744 2-hole. Without integrated boost pump. Without through drive. High-pressure relief valve, direct operated, fixed setting 250 to 420 bar without bypass. External boost pressure supply.
1

ROTARY GROUP
(15451)

Group »

 
2

CONTROL
(18500)

Group »

 
3

CONNECTION PLATE
(21476)

Group »

 
4

PUMP COVER
(17494)

Group »

 
5

CONTROL MODULE
(25950)

Group »

 
10

HOUSING
(15075)

 
13

PIVOT PIN
(10813)

 
20

SCREW PLUG
(14354)

 
21

SCREW PLUG
(11370)

 
22

SCREW PLUG
(11371)

 
23

SCREW PLUG
(10090)

 
24

SCREW PLUG
(12195)

 
25

O-RING
(10534)

 
26

SCREW PLUG
(11753)

 
27

DOUBLE BREAK-OFF PLUG

 
28

NOZZLE
(10073)

 
31

SLOTTED SPRING PIN
(10396)

 
32

SCREW PLUG
(10220)

 
37

SCREW PLUG
(13474)

 
39

SCREW PLUG
(19251)

 
46

ECCENTRIC SCREW
(10814)

 
47

SEALING NUT
(10815)

 
49

NOZZLE
(10618)

 
98

SEAL KIT
(12643)

 

Return

The above diagrams belong to Rexroth www.boschrexroth.com
DID YOU NOTICE AN ERROR? REPORT »
DID YOU NOTICE AN ERROR? REPORT
×

The error was sent. Thank you.