EXPAND MENU COLLAPSE MENU

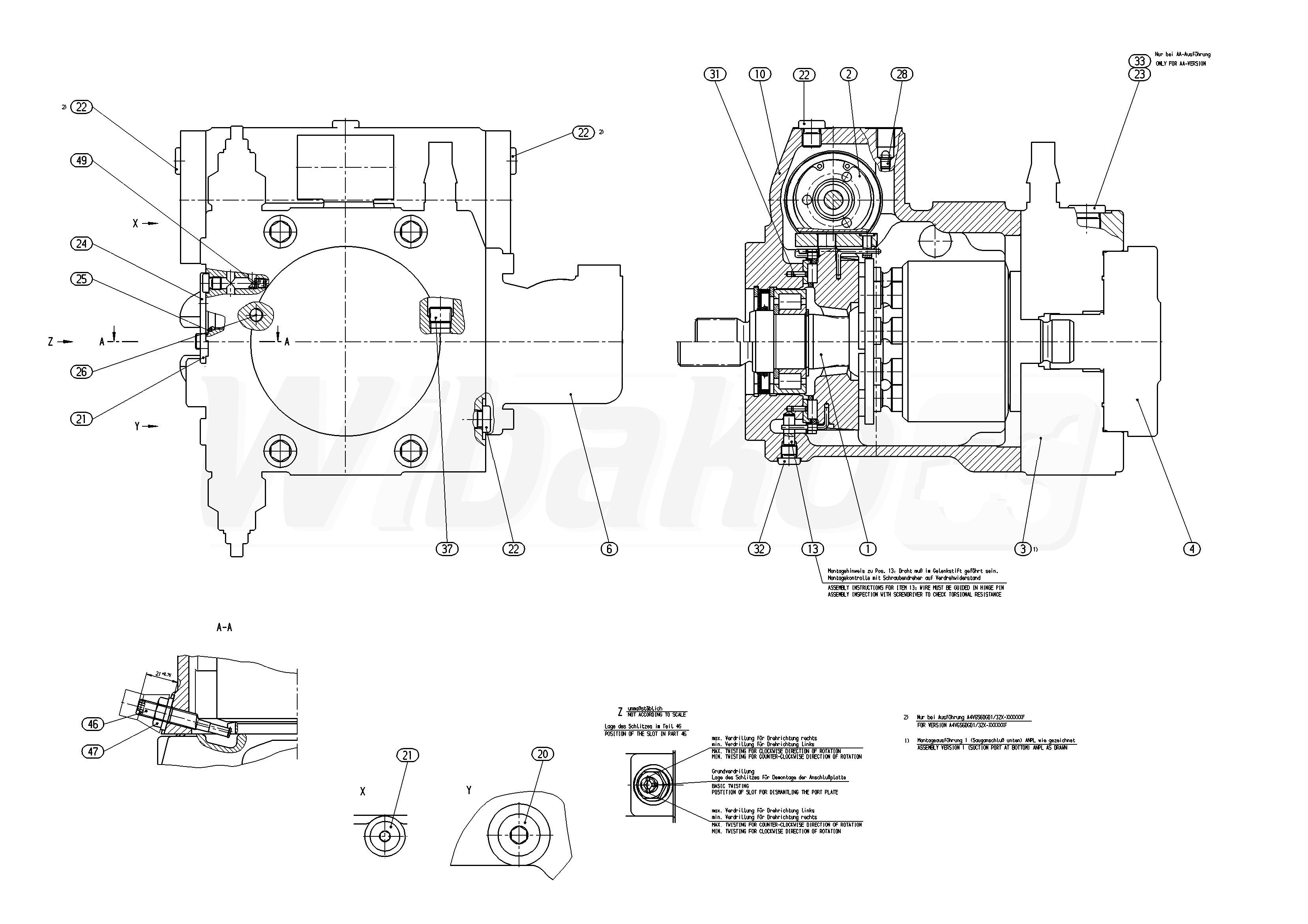
AA4VG56DGD1/32L-NSC52F025F-S (R992001854)

Axial piston variable pump A4VG. Geometric displacement 56 cm3. Hydraulic control, direct operated. Pressure cut-off. Without DA control valve. Series 3, index 2. Direction of rotation (viewed on drive shaft): counter-clockwise. Sealing material: NBR (nitrile rubber), shaft seal in FKM (fluoroelastomer). Splined shaft ANSI B92.1a for single pump. Mounting flange SAE J744 2-hole. Integrated boost pump. Flange SAE J744 101-2 (B), hub for splined shaft 7/8 in 13T 16/32DP. High-pressure relief valve, direct operated, fixed setting 250 to 420 bar with bypass. Filtration in the boost pump pressure line. Attachment filter with cold start valve.
1

ROTARY GROUP
(15451)

Group »

 
2

CONTROL
(15452)

Group »

 
3

CONNECTION PLATE
(15073)

Group »

 
4

INTERNAL GEAR PUMP
(26095)

Group »

 
6

FILTER
(26097)

Group »

 
10

HOUSING
(22537)

 
13

PIVOT PIN
(10813)

 
20

SCREW PLUG
(14354)

 
21

SCREW PLUG
(11370)

 
22

SCREW PLUG
(11371)

 
24

SCREW PLUG
(12195)

 
25

O-RING
(10534)

 
26

SCREW PLUG
(11753)

 
28

NOZZLE
(10073)

 
31

SLOTTED SPRING PIN
(10396)

 
32

SCREW PLUG
(10220)

 
33

SCREW PLUG
(11372)

 
37

SCREW PLUG
(13474)

 
46

ECCENTRIC SCREW
(10814)

 
47

SEALING NUT
(10815)

 
49

NOZZLE
(10618)

 

Return

The above diagrams belong to Rexroth www.boschrexroth.com
DID YOU NOTICE AN ERROR? REPORT »
DID YOU NOTICE AN ERROR? REPORT
×

The error was sent. Thank you.