EXPAND MENU COLLAPSE MENU

A11VLO200EP2/11L-NZD12N00 (R909601295)
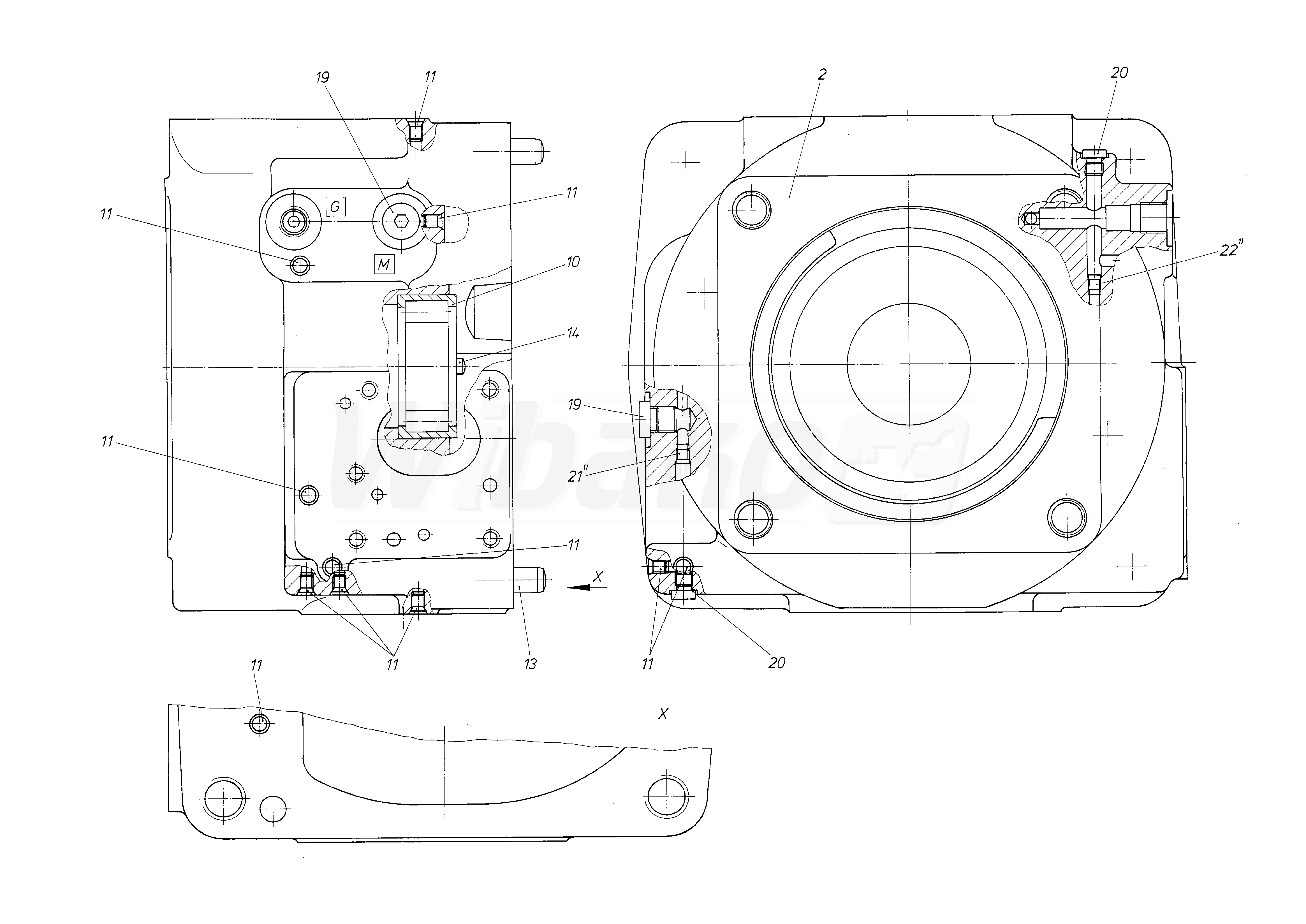
CONNECTION PLATE, LL (88902)

CONNECTION PLATE, LL
(88902)

 
2

CONNECTION PLATE, LL
(88910)

 
10

CYL. ROLLER BEARING
(12570)

 
11

DOUBLE BREAK-OFF PLUG
(18990)

 
13

STRAIGHT PIN
(12571)

 
14

STRAIGHT PIN
(12572)

 
19

SCREW PLUG
(10190)

 
20

SCREW PLUG
(10330)

 
21

NOZZLE
(10711)

 
22

NOZZLE
(10221)

 
98

SEAL KIT
(16693)

 

Return

The above diagrams belong to Rexroth www.boschrexroth.com
DID YOU NOTICE AN ERROR? REPORT »
DID YOU NOTICE AN ERROR? REPORT
×

The error was sent. Thank you.