EXPAND MENU COLLAPSE MENU

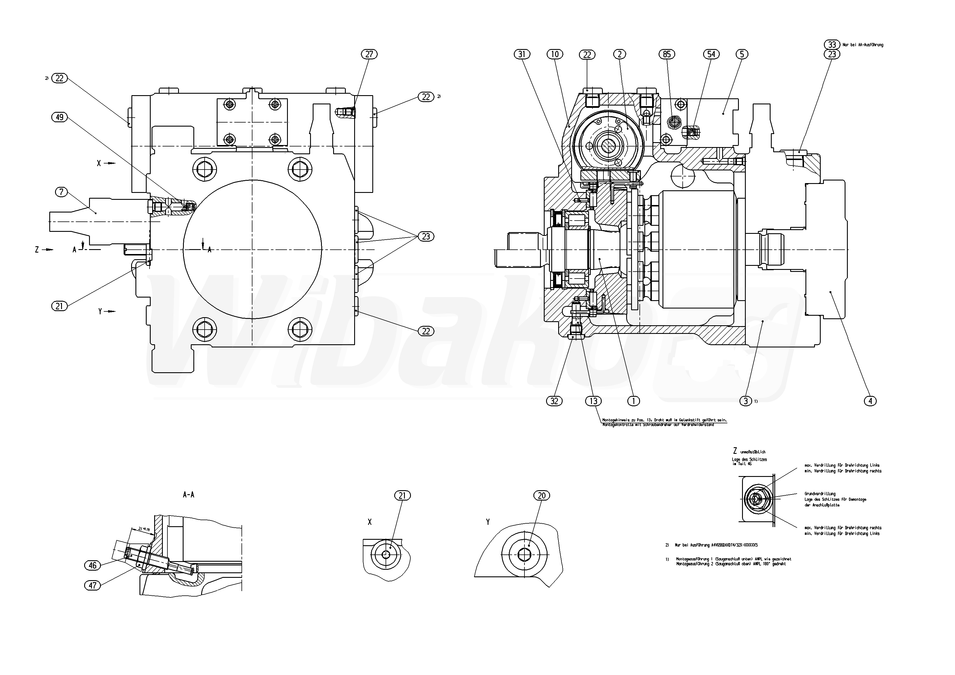
AA4VG56DA1D8/32R-NTC52F025ST-S (R902136096)

Axial piston variable pump A4VG. Geometric displacement 56 cm3. Automatic control, speed related U = 12 V. Pressure cut-off. DA control valve, fixed setting and brake inch valve mounted, control with brake fluid based on mineral oil. Series 3, index 2. Direction of rotation (viewed on drive shaft): clockwise. Sealing material: NBR (nitrile rubber), shaft seal in FKM (fluoroelastomer). Splined shaft ANSI B92.1a for combination pump – 1st pump. Mounting flange SAE J744 2-hole. Integrated boost pump. Flange SAE J744 101-2 (B), hub for splined shaft 7/8 in 13T 16/32DP. High-pressure relief valve, direct operated, fixed setting 250 to 420 bar with bypass. Filtration in the boost pump suction line.
1

ROTARY GROUP
(15072)

Group »

 
2

CONTROL
(12248)

Group »

 
3

CONNECTION PLATE
(15073)

Group »

 
4

INTERNAL GEAR PUMP
(15074)

Group »

 
5

INCHING VALVE
(11366)

Group »

 
7

CONTROL CARTRIDGE
(18394)

Group »

 
10

HOUSING
(15075)

 
13

PIVOT PIN
(10813)

 
20

SCREW PLUG
(14354)

 
21

SCREW PLUG
(11370)

 
22

SCREW PLUG
(11371)

 
23

SCREW PLUG
(10090)

 
27

DOUBLE BREAK-OFF PLUG

 
31

SLOTTED SPRING PIN
(10396)

 
32

SCREW PLUG
(10220)

 
33

SCREW PLUG
(11372)

 
46

ECCENTRIC SCREW
(10814)

 
47

SEALING NUT
(10815)

 
49

NOZZLE
(10618)

 
54

NOZZLE
(10619)

 
85

CONTROL ELEMENT
(11373)

Group »

 
98

SEAL KIT
(10817)

 

Return

The above diagrams belong to Rexroth www.boschrexroth.com
DID YOU NOTICE AN ERROR? REPORT »
DID YOU NOTICE AN ERROR? REPORT
×

The error was sent. Thank you.