EXPAND MENU COLLAPSE MENU

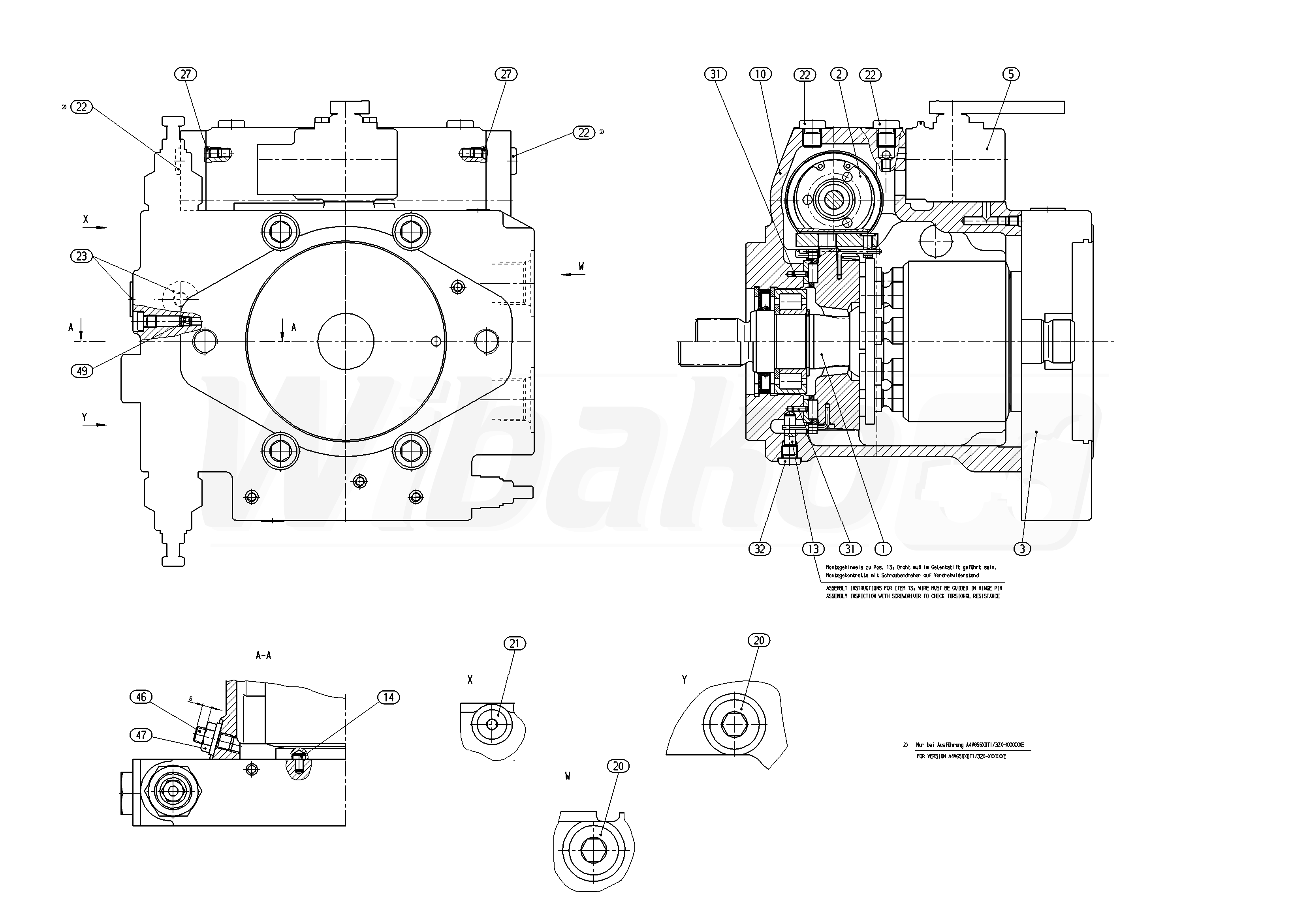
AA4VG56EP4D1/32R-NSCXXKXX5EP-S (R902111853)

Axial piston variable pump A4VG. Geometric displacement 56 cm3. Proportional control, electric U = 24 V. Pressure cut-off. Without DA control valve. Series 3, index 2. Direction of rotation (viewed on drive shaft): clockwise. Sealing material: NBR (nitrile rubber), shaft seal in FKM (fluoroelastomer). Splined shaft ANSI B92.1a for single pump. Mounting flange SAE J744 2-hole.
1

ROTARY GROUP
(19658)

Group »

 
2

CONTROL
(22595)

Group »

 
3

CONNECTION PLATE
(22597)

Group »

 
5

CONTROL MODULE
(22690)

Group »

 
10

HOUSING
(15075)

 
13

PIVOT PIN
(10813)

 
14

POITIONING PIN
(10183)

 
20

SCREW PLUG
(14354)

 
21

SCREW PLUG
(11370)

 
22

SCREW PLUG
(11371)

 
23

SCREW PLUG
(11372)

 
27

DOUBLE BREAK-OFF PLUG
(18990)

 
31

SLOTTED SPRING PIN
(10396)

 
32

SCREW PLUG
(10220)

 
46

SETSCREW
(12272)

 
47

SEALING NUT
(10815)

 
49

NOZZLE
(10618)

 
98

SEAL KIT
(12643)

 

Return

The above diagrams belong to Rexroth www.boschrexroth.com
DID YOU NOTICE AN ERROR? REPORT »
DID YOU NOTICE AN ERROR? REPORT
×

The error was sent. Thank you.