EXPAND MENU COLLAPSE MENU

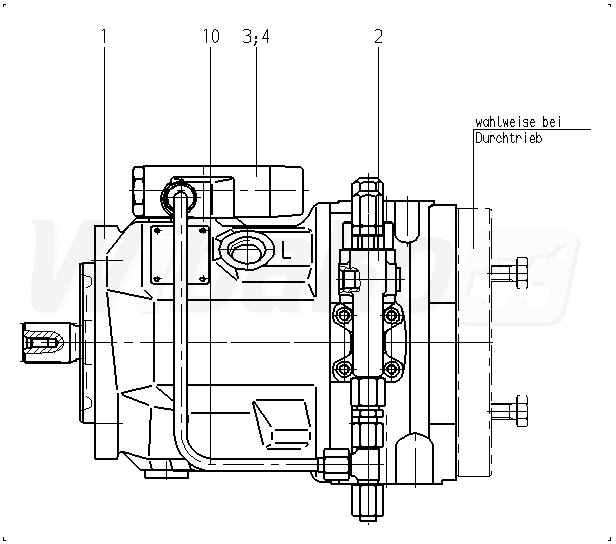
A A10V O 28 FHD /31R-PSC62K01 (R910975636)

Axial piston variable pump , swashplate design, open circuit, nominal pressure 280 bar, maximum pressure 350 bar. Series 31. High-speed version. Geometric displacement 10 cm3. Drive splined shaft ANSI B92.1a. Mounting flange ISO 3019-1 (SAE) 2-hole. SAE flange ports according to J518 Working ports UNF. Fastening thread UNF; lateral top bottom, for through drive. Through drive. Flange ISO 3019-1 82-2 (A). Hub for splined shaft 5/8 in 9T 16/32DP.
1

BASE UNIT
(109849)

Group »

 
2

CONTROL VALVE
(82593)

Group »

 
3

CONTROL VALVE
(82594)

Group »

 
4

ADAPTER
(109636)

Group »

 
10

PIPING
(82595)

Group »

 

Return

The above diagrams belong to Rexroth www.boschrexroth.com
DID YOU NOTICE AN ERROR? REPORT »
DID YOU NOTICE AN ERROR? REPORT
×

The error was sent. Thank you.