EXPAND MENU COLLAPSE MENU

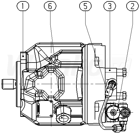
A A10V O 45 DFR /31R-VCC11N00 -SO157 (R902471095)

Axial piston variable pump A10V, swashplate design, open circuit, nominal pressure 280 bar, maximum pressure 350 bar. Series 31. Geometric displacement 45 cm3. Pressure controller with flow controller, hydraulic, X-T open. Sealing material: FKM (fluoroelastomer). Mounting flange ISO 3019-1 (SAE) 2-hole.
1

BASE UNIT
(111545)

Group »

 
2

CONTROL VALVE
(16559)

Group »

 
3

ORIFICE FLANGE
(111383)

Group »

 
5

PIPING
(111384)

Group »

 
6

ADAPTER
(13214)

Group »

 

Return

The above diagrams belong to Rexroth www.boschrexroth.com
DID YOU NOTICE AN ERROR? REPORT »
DID YOU NOTICE AN ERROR? REPORT
×

The error was sent. Thank you.