EXPAND MENU COLLAPSE MENU

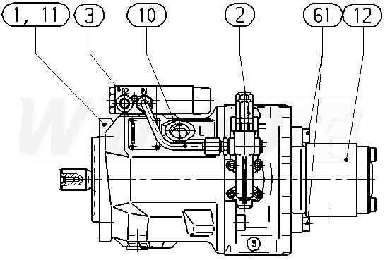
A A10V O 45 DFSR/31R-PSC62H00 -SO888 (R902434323)

Axial piston variable pump , swashplate design, open circuit, nominal pressure 280 bar, maximum pressure 350 bar. Series 31. High-speed version. Geometric displacement 10 cm3. Drive splined shaft ANSI B92.1a. Mounting flange ISO 3019-1 (SAE) 2-hole. SAE flange ports according to J518 Working ports UNF. Fastening thread UNF; lateral top bottom, for through drive.
1

BASE UNIT
(35276)

Group »

 
2

CONTROL VALVE
(112726)

Group »

 
3

CONTROL VALVE
(13885)

Group »

 
10

PIPING
(13215)

Group »

 
11

POWER DIAGRAM
(112727)

 
12

HYDRAULIC GEAR PUMP

 
14

SCREW PLUG
(11371)

 
61

SOCKET HEAD CAP SCREW
(14121)

 

Return

The above diagrams belong to Rexroth www.boschrexroth.com
DID YOU NOTICE AN ERROR? REPORT »
DID YOU NOTICE AN ERROR? REPORT
×

The error was sent. Thank you.