EXPAND MENU COLLAPSE MENU

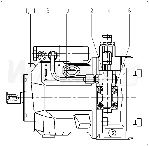
A A10V O 45 DFSR/31R-VSC62K01 -SO522 (R910968606)

Axial piston variable pump A10V, swashplate design, open circuit, nominal pressure 280 bar, maximum pressure 350 bar. Series 31. Geometric displacement 45 cm3. Sealing material: FKM (fluoroelastomer). Drive splined shaft ANSI B92.1a. Mounting flange ISO 3019-1 (SAE) 2-hole. SAE flange ports according to J518 Working ports UNF. Fastening thread UNF; lateral top bottom, for through drive. Through drive. Flange ISO 3019-1 82-2 (A). Hub for splined shaft 5/8 in 9T 16/32DP.
1

BASE UNIT
(111164)

Group »

 
2

CONTROL VALVE
(110872)

Group »

 
3

CONTROL VALVE
(13885)

Group »

 
4

CONTROL VALVE
(110766)

Group »

 
6

SOCKET HEAD CAP SCREW
(13888)

 
10

PIPING
(111150)

Group »

 
11

POWER DIAGRAM
(112754)

 

Return

The above diagrams belong to Rexroth www.boschrexroth.com
DID YOU NOTICE AN ERROR? REPORT »
DID YOU NOTICE AN ERROR? REPORT
×

The error was sent. Thank you.