EXPAND MENU COLLAPSE MENU

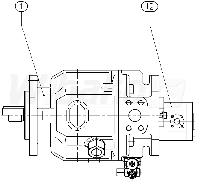
A A10V O 45 DRG /31R-VSC12G40 -SO 13 (R902474958)

Axial piston variable pump A10V, swashplate design, open circuit, nominal pressure 280 bar, maximum pressure 350 bar. Series 31. Geometric displacement 45 cm3. Pressure controller with pressure cut-of, hydraulic, remote controlledSealing material: FKM (fluoroelastomer). Drive splined shaft ANSI B92.1a. Mounting flange ISO 3019-1 (SAE) 2-hole. SAE flange ports according to J518. Working ports metric. Fastening thread metric; lateral top bottom for through drive.
1

AXIAL-PISTON PUMP
(113196)

Group »

 
12

HYDRAULIC GEAR PUMP

 
61

SOCKET HEAD CAP SCREW
(14121)

 

Return

The above diagrams belong to Rexroth www.boschrexroth.com
DID YOU NOTICE AN ERROR? REPORT »
DID YOU NOTICE AN ERROR? REPORT
×

The error was sent. Thank you.