EXPAND MENU COLLAPSE MENU

AA10VO45FE1D/31R-PSC12K04-SO762 (R910988197)
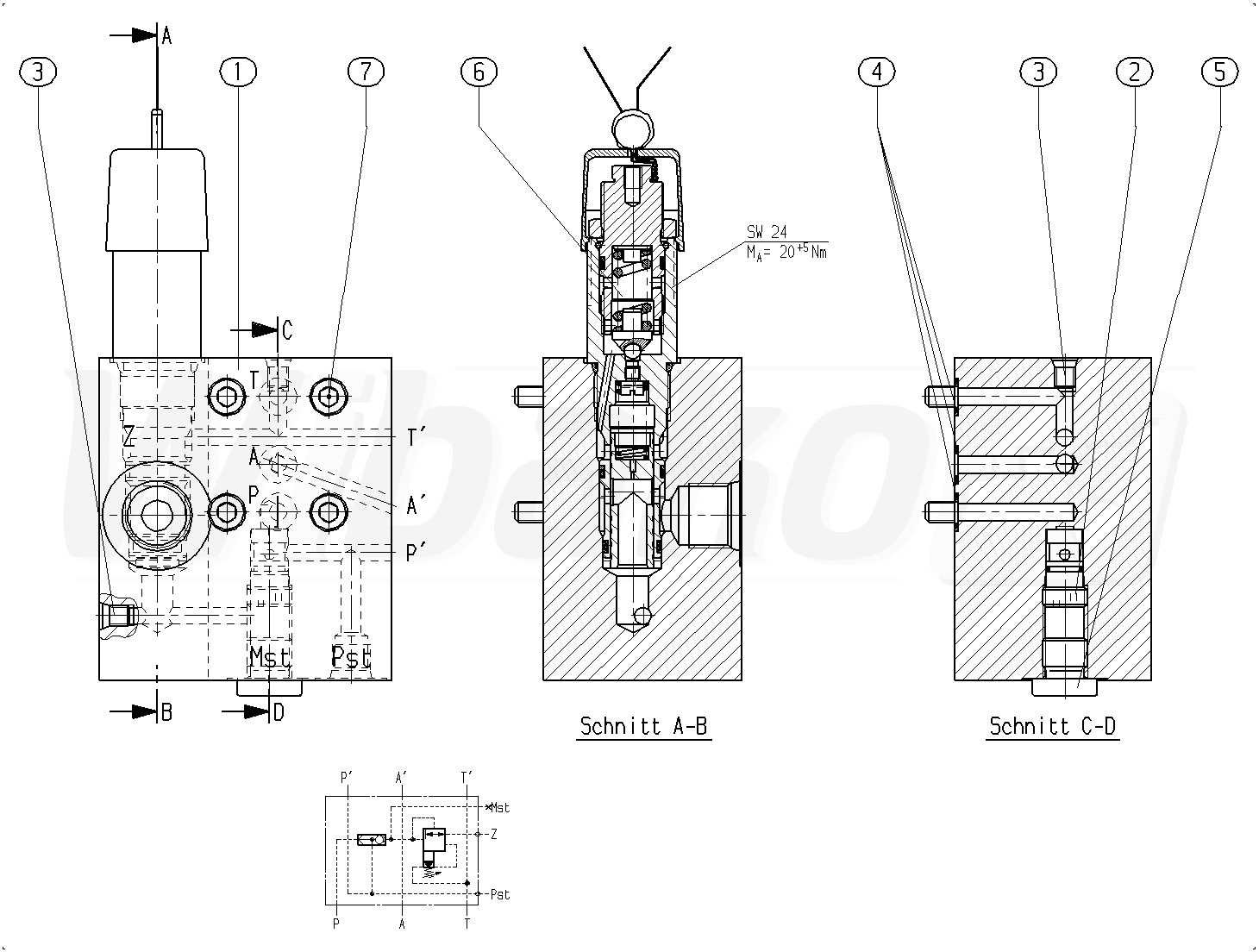
INTERMEDIATE PLATE (113419)

INTERMEDIATE PLATE
(113419)

 
1

INTERMEDIATE PLATE
(113420)

 
2

SHUTTLE VALVE
(21028)

 
3

DOUBLE BREAK-OFF PLUG
(18990)

 
4

O-RING
(16352)

 
5

SCREW PLUG
(16353)

 
6

DUMMY
(113421)

 
7

SOCKET HEAD CAP SCREW
(19886)

 

Return

The above diagrams belong to Rexroth www.boschrexroth.com
DID YOU NOTICE AN ERROR? REPORT »
DID YOU NOTICE AN ERROR? REPORT
×

The error was sent. Thank you.