EXPAND MENU COLLAPSE MENU

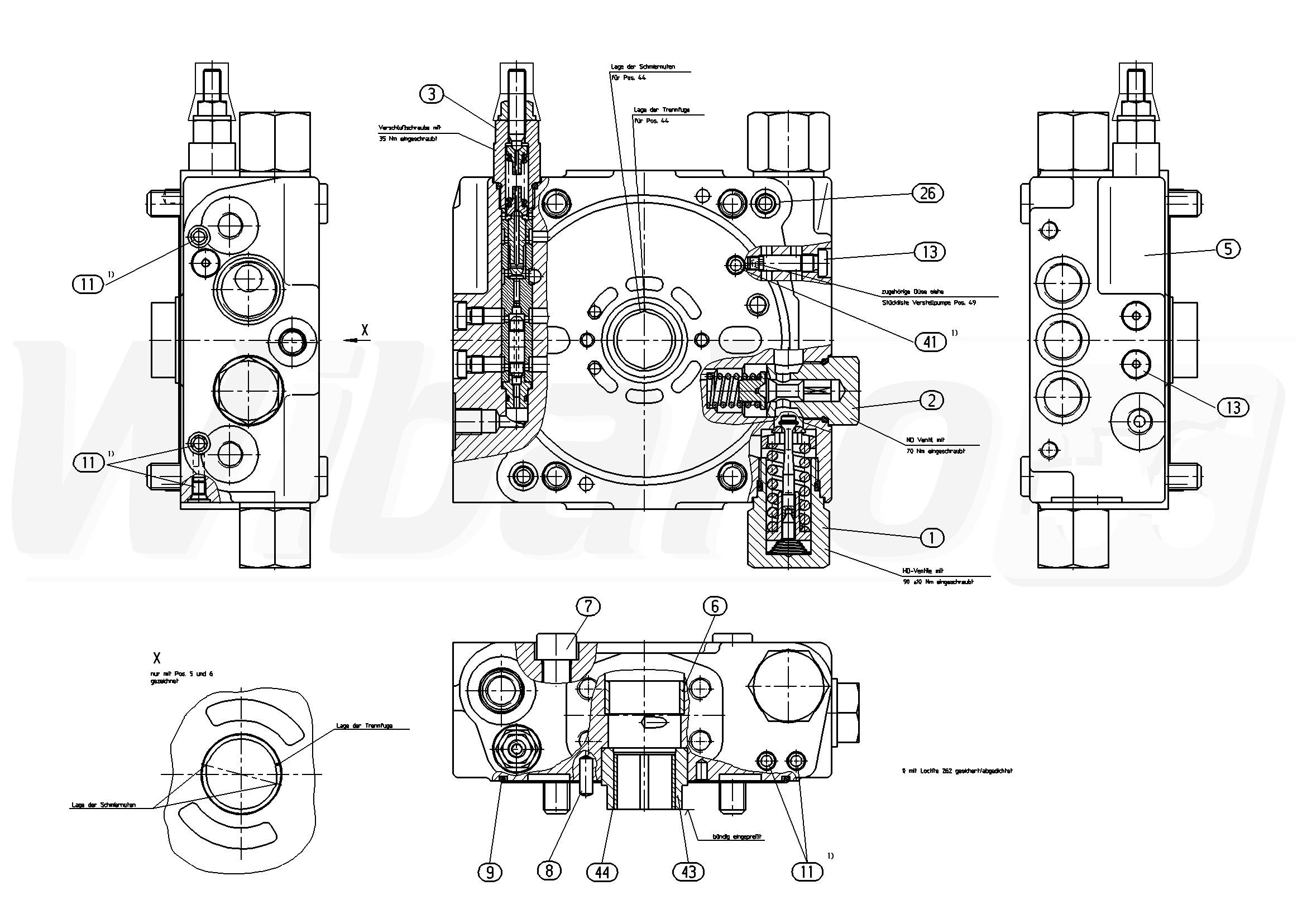
AA11VO130LG2S/10+AA4VG56DWD/31 (R909601553)
CONNECTION PLATE (29637)

CONNECTION PLATE
(29637)

 
1

PRESSURE RELIEF VALVE
(12208)

Group »

 
2

PRESSURE RELIEF VALVE
(10864)

Group »

 
3

PRESSURE CUT-OFF VALVE
(13485)

Group »

 
5

CONNECTION PLATE
(29838)

 
6

BUSHING
(19284)

 
7

SOCKET HEAD CAP SCREW
(11797)

 
8

STRAIGHT PIN
(10869)

 
9

O-RING
(10870)

 
11

DOUBLE BREAK-OFF PLUG
(18990)

 
13

SCREW PLUG
(10330)

 
26

O-RING
(10227)

 
41

DOUBLE BREAK-OFF PLUG
(10871)

 
43

BUSHING
(10872)

 
44

BUSHING
(18567)

 

Return

The above diagrams belong to Rexroth www.boschrexroth.com
DID YOU NOTICE AN ERROR? REPORT »
DID YOU NOTICE AN ERROR? REPORT
×

The error was sent. Thank you.