EXPAND MENU COLLAPSE MENU

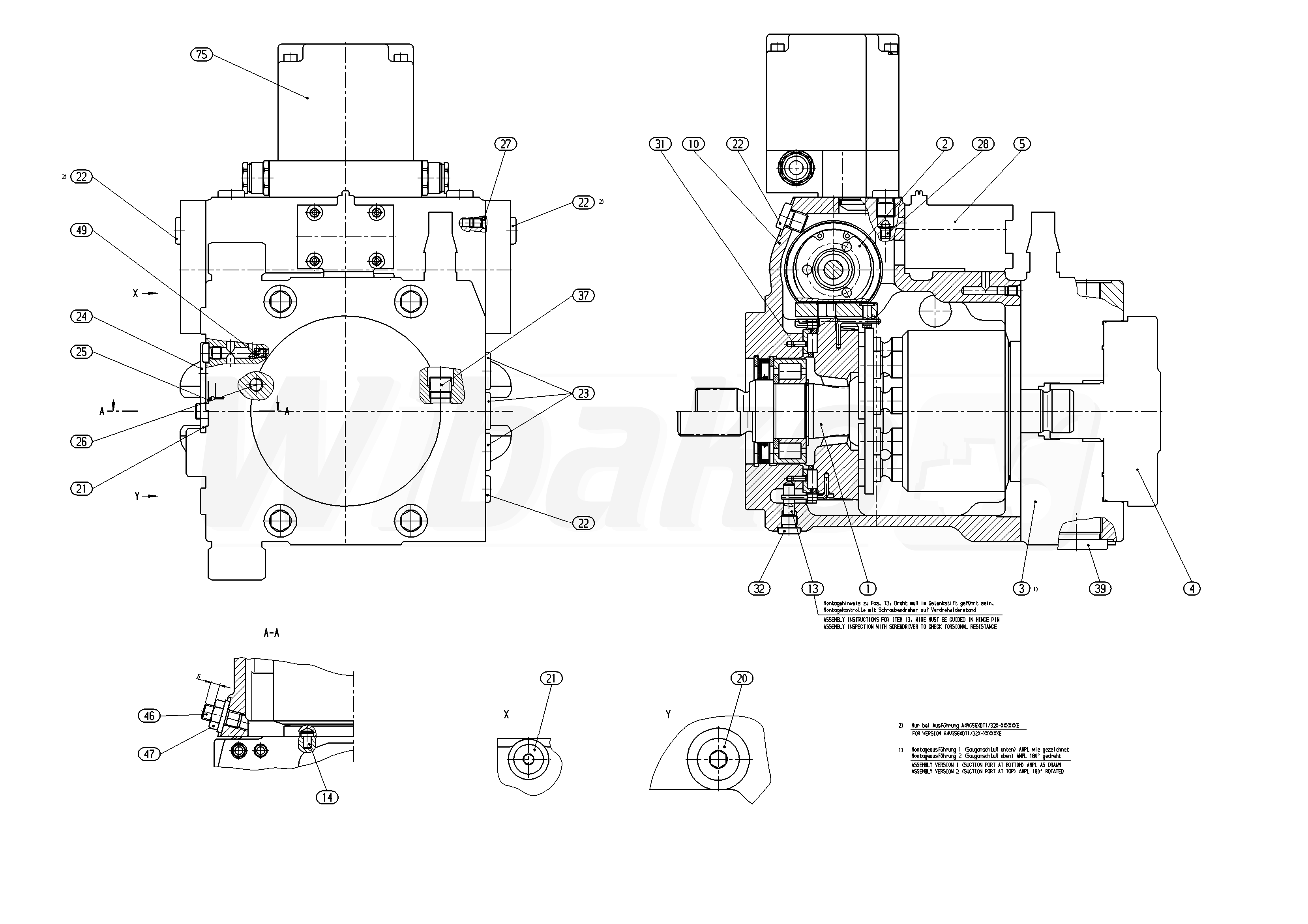
AA4VG56EP4DT1/32L-NSC52K013EH-S (R902111613)

Axial piston variable pump A4VG. Geometric displacement 56 cm3. Proportional control, electric U = 24 V. Pressure cut-off. Stroking chamber pressure port X3, X4. Without DA control valve. Series 3, index 2. Direction of rotation (viewed on drive shaft): counter-clockwise. Sealing material: NBR (nitrile rubber), shaft seal in FKM (fluoroelastomer). Splined shaft ANSI B92.1a for single pump. Mounting flange SAE J744 2-hole. Without integrated boost pump. Flange SAE J744 82-2 (A), hub for splined shaft 5/8 in 9T 16/32DP. High-pressure relief valve, direct operated, fixed setting 250 to 420 bar without bypass. External boost pressure supply.
1

ROTARY GROUP
(23182)

Group »

 
2

CONTROL
(22544)

Group »

 
3

CONNECTION PLATE
(21476)

Group »

 
4

BELL HOUSING
(28097)

Group »

 
5

CONTROL MODULE
(19660)

Group »

 
10

HOUSING
(30309)

 
13

PIVOT PIN
(10813)

 
14

POITIONING PIN
(10183)

 
20

SCREW PLUG
(14354)

 
21

SCREW PLUG
(11370)

 
22

SCREW PLUG
(11371)

 
23

SCREW PLUG
(10090)

 
24

SCREW PLUG
(12195)

 
25

O-RING
(10534)

 
26

SCREW PLUG
(11753)

 
27

DOUBLE BREAK-OFF PLUG
(18990)

 
28

NOZZLE
(10073)

 
31

SLOTTED SPRING PIN
(10396)

 
32

SCREW PLUG
(10220)

 
37

SCREW PLUG
(13474)

 
39

SCREW PLUG
(19251)

 
46

SETSCREW
(12272)

 
47

SEALING NUT
(10815)

 
49

NOZZLE
(10618)

 
75

SWITCH ASSEMBLY HOUSING
(21544)

Group »

 
98

SEAL KIT
(12643)

 

Return

The above diagrams belong to Rexroth www.boschrexroth.com
DID YOU NOTICE AN ERROR? REPORT »
DID YOU NOTICE AN ERROR? REPORT
×

The error was sent. Thank you.