EXPAND MENU COLLAPSE MENU

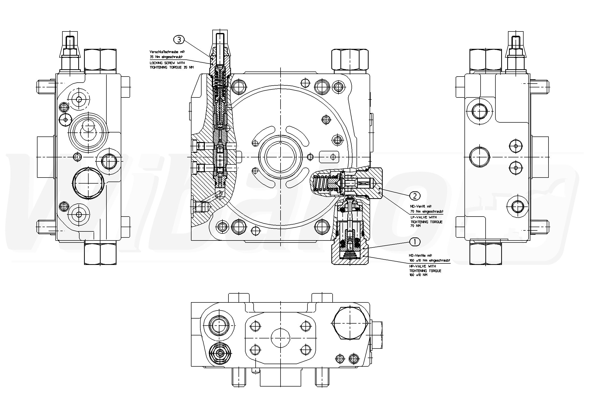
AA4VG56EP7D1/32R-NZCXXF003DX-S (R902111842)
CONNECTION PLATE (22148)

CONNECTION PLATE
(22148)

 
1

PRESSURE RELIEF VALVE
(12208)

Group »

 
2

PRESSURE RELIEF VALVE
(10864)

Group »

 
3

PRESSURE CUT-OFF VALVE
(10865)

Group »

 

Return

The above diagrams belong to Rexroth www.boschrexroth.com
DID YOU NOTICE AN ERROR? REPORT »
DID YOU NOTICE AN ERROR? REPORT
×

The error was sent. Thank you.