EXPAND MENU COLLAPSE MENU

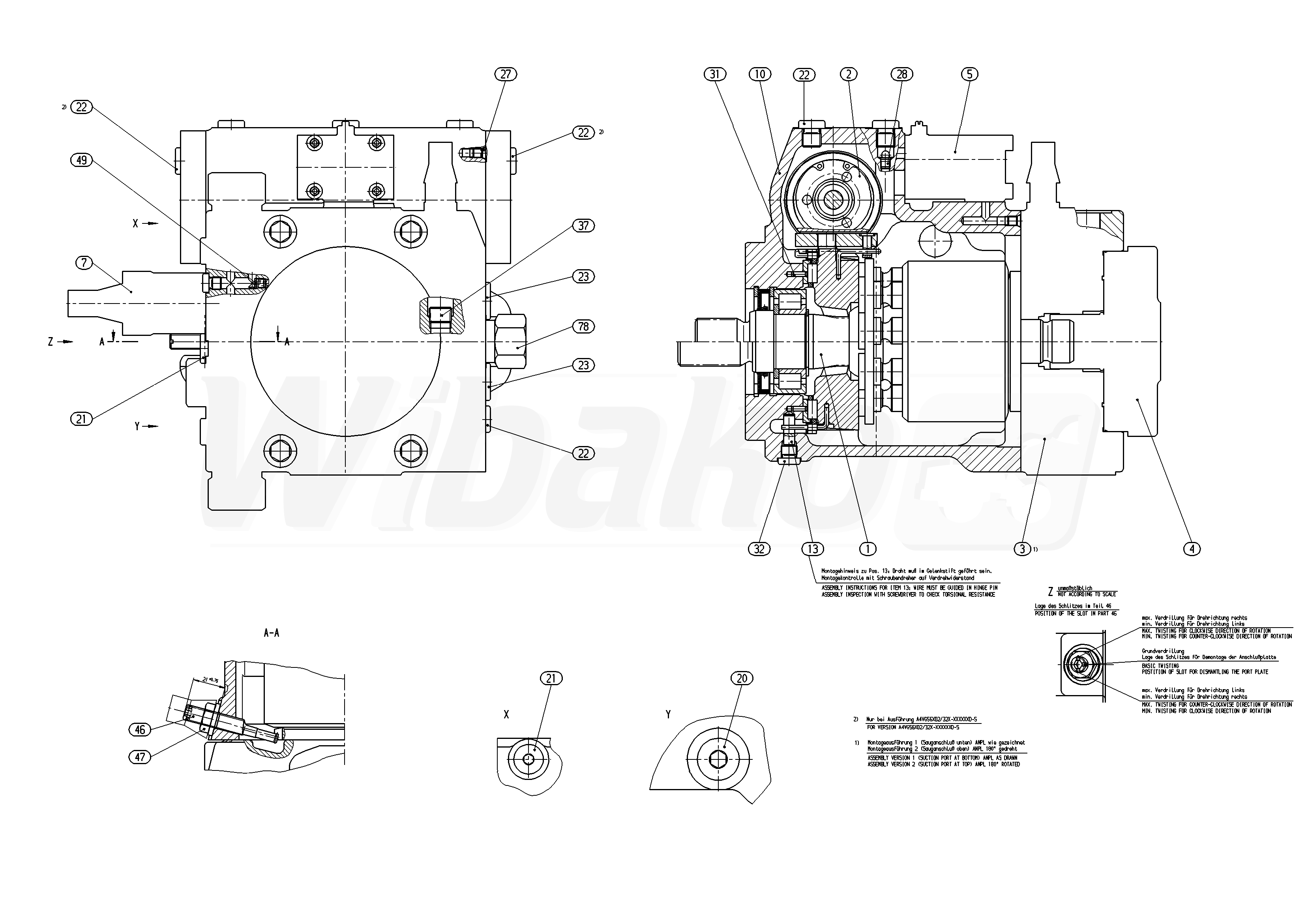
AA4VG56HWD2/32R-NTC52F075D-S (R909608127)

Axial piston variable pump A4VG. Geometric displacement 56 cm3. Series 3, index 2. Direction of rotation (viewed on drive shaft): clockwise. Sealing material: NBR (nitrile rubber), shaft seal in FKM (fluoroelastomer). Splined shaft ANSI B92.1a for combination pump – 1st pump. Mounting flange SAE J744 2-hole. Integrated boost pump. Flange SAE J744 127-2 (C), hub for splined shaft 1 1/4 in 14T 12/24DP. High-pressure relief valve, direct operated, fixed setting 250 to 420 bar with bypass. Filtration in the boost pump pressure line. Ports for external boost circuit filtration (Fe and Fa).
1

ROTARY GROUP
(29662)

Group »

 
2

CONTROL
(29589)

Group »

 
3

CONNECTION PLATE
(15073)

Group »

 
4

INTERNAL GEAR PUMP
(30497)

Group »

 
5

CONTROL MODULE
(20326)

Group »

 
7

CONTROL CARTRIDGE
(10391)

Group »

 
10

HOUSING
(29566)

 
13

PIVOT PIN
(10813)

 
20

SCREW PLUG
(14354)

 
21

SCREW PLUG
(11370)

 
22

SCREW PLUG
(11371)

 
23

SCREW PLUG
(10090)

 
27

DOUBLE BREAK-OFF PLUG
(18990)

 
28

NOZZLE
(14404)

 
31

SLOTTED SPRING PIN
(10396)

 
32

SCREW PLUG
(10220)

 
37

SCREW PLUG
(13474)

 
46

ECCENTRIC SCREW
(10814)

 
47

SEALING NUT
(10815)

 
49

NOZZLE
(10618)

 
78

THREADED PART
(14430)

Group »

 
98

SEAL KIT
(20381)

 

Return

The above diagrams belong to Rexroth www.boschrexroth.com
DID YOU NOTICE AN ERROR? REPORT »
DID YOU NOTICE AN ERROR? REPORT
×

The error was sent. Thank you.