EXPAND MENU COLLAPSE MENU

AA4VG56DA1DM4/32R-NSC52FXX5F-S (R909609863)
INTERNAL GEAR PUMP (30563)

INTERNAL GEAR PUMP
(30563)

 
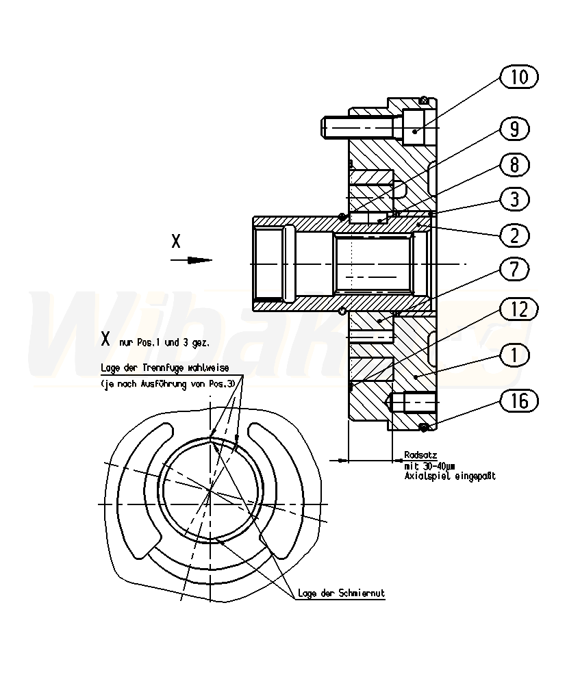
1

INTERMEDIATE FLANGE
(30752)

 
2

THROUGH DRIVE SHAFT
(12258)

 
3

BUSHING
(19284)

 
7

WHEEL SET
(10896)

 
8

PARALLEL KEY
(10490)

 
9

SNAP RING
(26144)

 
10

SOCKET HEAD CAP SCREW
(12259)

 
12

KANTSEAL
(26142)

 
16

O-RING
(10668)

 

Return

The above diagrams belong to Rexroth www.boschrexroth.com
DID YOU NOTICE AN ERROR? REPORT »
DID YOU NOTICE AN ERROR? REPORT
×

The error was sent. Thank you.