EXPAND MENU COLLAPSE MENU

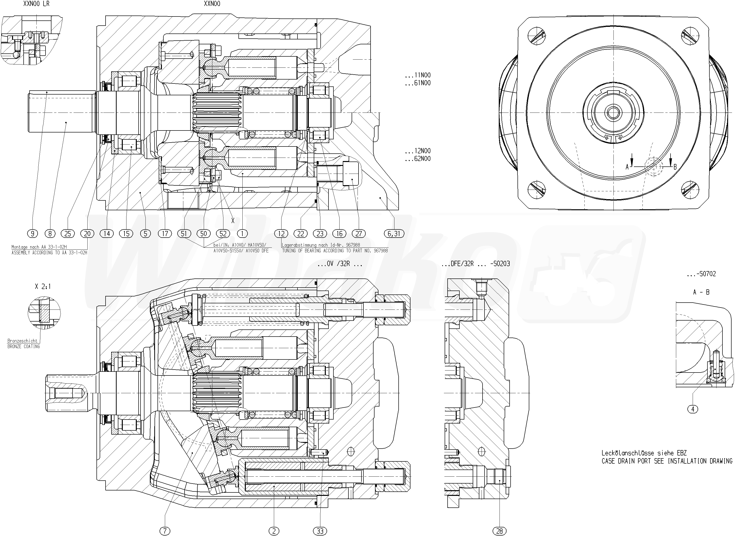
A A10VSO100 DR /32R-CPB12N00 (R902469708)
BASE UNIT (131875)

BASE UNIT
(131875)

 
1

ROTARY GROUP
(83801)

Group »

 
2

ADJUSTING PIECE
(131876)

Group »

 
5

PUMP HOUSING
(131877)

 
6

CONNECTION PLATE
(130927)

 
7

SWASH PLATE
(83710)

 
8

DRIVE SHAFT
(131878)

 
9

PARALLEL KEY
(15791)

 
12

ADJUSTMENT SHIM
(15478)

 
14

STOP RING
(131879)

 
15

CYL. ROLLER BEARING
(131880)

 
16

CYL. ROLLER BEARING
(131881)

 
17

BEARING SHELL
(15481)

 
20

ROTARY SHAFT LIP SEAL
(131882)

 
22

O-RING
(16820)

 
23

R-RING
(30999)

 
25

RETAINING RING
(11384)

 
27

SOCKET HEAD CAP SCREW
(15484)

 
31

DOUBLE BREAK-OFF PLUG
(19009)

 
33

STRAIGHT PIN
(11892)

 

Return

The above diagrams belong to Rexroth www.boschrexroth.com
DID YOU NOTICE AN ERROR? REPORT »
DID YOU NOTICE AN ERROR? REPORT
×

The error was sent. Thank you.